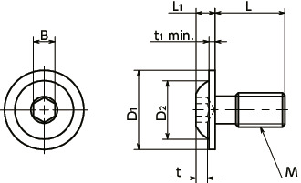
Unit : mm
| Part Number | M (Coarse) Nominal of Thread |
Pitch | L | D1 | D2 | L1 | t1 | B | t | Max. Tightening Torque*1 (N・m) |
Qty per Pack | Mass (g) |
CAD Download |
RFQ |
|---|---|---|---|---|---|---|---|---|---|---|---|---|---|---|
| SFBS-M5-8-UC | M5 | 0.8 | 8 | 11.4 | 8.5 | 2.75 | 0.8 | 3 | 1.6 | 1 | 10 | 2.5 | CAD | RFQ |
*1: Values in chart are for reference only. They are not guaranteed values.
Nabeya Bi-tech Kaisha
Customer Service
Please enter questions about customization and other product-related inquiries here.
Find the inquiry form here● When purchasing less volume than one full bag, a separate handling fee is charged. For details, see the Sold Separately Service.
Characteristics
- These stainless steel socket button head cap screws with flange are for fixing thin plates.
- The flange on the head ensures a seating surface even on thin plates with large drilled holes, making fixing possible.
- Because SFBS-UC has relief in the under-head area, it is suitable for fixing thin plates. Fastening of thin plates from 0.1mm up is possible.

- For space-saving of equipment/devices and applications with limited overhead space.
- Bolts for fixing thin plates are also available with special specifications such as dimensions, material, head shape, and so on. Please contact our customer service.

Material/Finish
| SFBS-UC | |
|---|---|
| Main Body | SUSXM7 (Equivalent to SUS304) |
| Strength Class | A2-50 |
Do not exceed the max. tightening torque.
Related Services
Application
Exterior panels on semiconductor manufacturing equipment, etc.Reducing the size of equipment and devices


