Specs/CAD
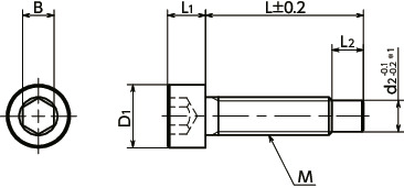
Unit : mm
| Part Number | M (Coarse) Nominal of Thread |
Pitch | L | L1 | L2 | d2 | D1 | B | Mass (g) |
Price (USD) |
CAD Download |
Add to Cart |
|---|---|---|---|---|---|---|---|---|---|---|---|---|
| SDB-M8-16 | M8 | 1.25 | 16 | 8 | 6.5 | 6 | 13 | 6 | 11.1 | 3.96 | CAD | Cart |
| SDB-M8-20 | M8 | 1.25 | 20 | 8 | 6.5 | 6 | 13 | 6 | 12.3 | 3.96 | CAD | Cart |
| SDB-M8-25 | M8 | 1.25 | 25 | 8 | 6.5 | 6 | 13 | 6 | 13.7 | 4.13 | CAD | Cart |
| SDB-M8-30 | M8 | 1.25 | 30 | 8 | 6.5 | 6 | 13 | 6 | 15.2 | 4.29 | CAD | Cart |
| SDB-M8-35 | M8 | 1.25 | 35 | 8 | 6.5 | 6 | 13 | 6 | 16.6 | 5.34 | CAD | Cart |
| SDB-M8-40 | M8 | 1.25 | 40 | 8 | 6.5 | 6 | 13 | 6 | 18.1 | 5.34 | CAD | Cart |
| SDB-M8-45 | M8 | 1.25 | 45 | 8 | 6.5 | 6 | 13 | 6 | 19.6 | 5.52 | CAD | Cart |
Nabeya Bi-tech Kaisha
Customer Service
Please enter questions about customization and other product-related inquiries here.
Find the inquiry form hereMaterial/Finish
| SDB | |
|---|---|
| Main Body | SCM435 Equivalent (Hardness: 39HRC or Higher) Ferrosoferric Oxide Film (Black) |
Characteristics
- The screw tip shape is a dog point.
- Use for positioning or as a rotation stopper by fitting the tip dog point shape into the counterpart groove or hole.




/4556_1.jpg?upd=20260415140823&awscf_publishdate=2026-04-30 10:34)
/4556_1.jpg?upd=20260415140819&awscf_publishdate=2026-04-30 10:34)
/4556_1.jpg?upd=20260415140827&awscf_publishdate=2026-04-30 10:34)