• Special Screws (Bolts)
  • Functional Screws

BRPPS-S/Ball Rollers with Spring Plunger Function

  • Transport

Dimension Drawing

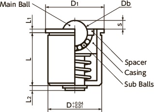
BRPPS-SBall Rollers with Spring Plunger Function - Press Fit Type寸法図

Specs/CAD

Unit : mm

Part Number D D1 L s L1 L2 Db Load (N)
Min./Max.
Mass
(g)
Price
(USD)
CAD
Download
QTY
(Piece)
BRPPS-14-S 14 16 14 1.5 1.5 1.5 5.56 23 / 30 16 37.15 CAD Cart
BRPPS-18-S 18 20 17 2.5 1.5 2 8.73 24 / 38 31 41.18 CAD Cart
BRPPS-22-S 22 24 21.5 3.5 1.5 2 10.32 24 / 55 55 45.52 CAD Cart

Material/Finish

BRPPS-S
Main Body SUS304
Main Ball SUS440C(Hardness 55HRC or Higher)
Sub Ball SUS440C(Hardness 55HRC or Higher)
Spacer SUS304
Casing SUS304
Spring SUS631J1

Application

Conveyance, fixing and locating work, torque limiting, and indexing

Characteristics

  • These are press fit type ball rollers with spring plunger function.
  • Because the body section is press fitted, the height can be reduced.
  • Their internal springs receive loads evenly even when the load is unbalanced.
  • These rollers can also be used as a general spring plunger with ball for fixing and locating workpiece. The smooth rotation of the ball reduces friction between the main ball and receiving side.
  • Recommended dimensional allowance of attachment hole is H7.

Precautions for Use

  • These ball rollers are for upward applications only. If it is used for downward and sideward applications, the product may be damaged or the ball may malfunction.
  • The bottom section moves the stroke distance of the main ball. Take care with the depth of the attachment hole.

BRPPS-SBall Rollers with Spring Plunger Function - Press Fit Type


Product List

Click here to see Functional Screws

Click here to see Special Screws (Bolts)