Specs/CAD
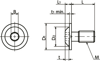
Unit : mm
| Part Number | M (Coarse) Nominal of Thread |
Pitch | L | D1 | D2 | L1 | t1 | B | t | Max. Tightening Torque*1 (N・m) |
Qty per Pack | Mass (g) |
Price (USD) |
CAD Download |
QTY (Pack) |
|---|---|---|---|---|---|---|---|---|---|---|---|---|---|---|---|
| SFBS-M3-4-UC | M3 | 0.5 | 4 | 7 | 5.2 | 1.65 | 0.5 | 2 | 1.05 | 0.25 | 10 | 0.5 | 39.75 | CAD | Cart |
| SFBS-M3-5-UC | M3 | 0.5 | 5 | 7 | 5.2 | 1.65 | 0.5 | 2 | 1.05 | 0.25 | 10 | 0.56 | 39.75 | CAD | Cart |
| SFBS-M3-6-UC | M3 | 0.5 | 6 | 7 | 5.2 | 1.65 | 0.5 | 2 | 1.05 | 0.25 | 10 | 0.61 | 39.75 | CAD | Cart |
| SFBS-M3-8-UC | M3 | 0.5 | 8 | 7 | 5.2 | 1.65 | 0.5 | 2 | 1.05 | 0.25 | 10 | 0.73 | 39.75 | CAD | Cart |
| SFBS-M4-5-UC | M4 | 0.7 | 5 | 9.2 | 6.8 | 2.2 | 0.6 | 2.5 | 1.3 | 0.5 | 10 | 1.1 | 40.53 | CAD | Cart |
| SFBS-M4-6-UC | M4 | 0.7 | 6 | 9.2 | 6.8 | 2.2 | 0.6 | 2.5 | 1.3 | 0.5 | 10 | 1.2 | 40.53 | CAD | Cart |
| SFBS-M4-8-UC | M4 | 0.7 | 8 | 9.2 | 6.8 | 2.2 | 0.6 | 2.5 | 1.3 | 0.5 | 10 | 1.4 | 40.53 | CAD | Cart |
| SFBS-M5-6-UC | M5 | 0.8 | 6 | 11.4 | 8.5 | 2.75 | 0.8 | 3 | 1.6 | 1 | 10 | 2.2 | 42.09 | CAD | Cart |
| SFBS-M5-8-UC | M5 | 0.8 | 8 | 11.4 | 8.5 | 2.75 | 0.8 | 3 | 1.6 | 1 | 10 | 2.5 | 42.09 | CAD | Cart |
| SFBS-M5-10-UC | M5 | 0.8 | 10 | 11.4 | 8.5 | 2.75 | 0.8 | 3 | 1.6 | 1 | 10 | 2.8 | 42.09 | CAD | Cart |
| SFBS-M6-6-UC | M6 | 1 | 6 | 13.6 | 10.1 | 3.3 | 0.9 | 4 | 2.1 | 2 | 10 | 3.4 | 45.21 | CAD | Cart |
| SFBS-M6-8-UC | M6 | 1 | 8 | 13.6 | 10.1 | 3.3 | 0.9 | 4 | 2.1 | 2 | 10 | 3.9 | 45.21 | CAD | Cart |
| SFBS-M6-10-UC | M6 | 1 | 10 | 13.6 | 10.1 | 3.3 | 0.9 | 4 | 2.1 | 2 | 10 | 4.3 | 45.21 | CAD | Cart |
*1: Values in chart are for reference only. They are not guaranteed values.
Nabeya Bi-tech Kaisha
Customer Service
Please enter questions about customization and other product-related inquiries here.
Find the inquiry form hereMaterial/Finish
| SFBS-UC | |
|---|---|
| Main Body | SUSXM7 (Equivalent to SUS304) |
| Strength Class | A2-50 |
Do not exceed the max. tightening torque.
Application
Exterior panels on semiconductor manufacturing equipment, etc.Reducing the size of equipment and devices
Characteristics
- These stainless steel socket button head cap screws with flange are for fixing thin plates.
- The flange on the head ensures a seating surface even on thin plates with large drilled holes, making fixing possible.
- Because SFBS-UC has relief in the under-head area, it is suitable for fixing thin plates. Fastening of thin plates from 0.1mm up is possible.

- For space-saving of equipment/devices and applications with limited overhead space.
- Bolts for fixing thin plates are also available with special specifications such as dimensions, material, head shape, and so on. Please contact our customer service.







