Unit : mm
| Part Number | M (Coarse) Nominal of Thread |
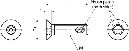
Pitch | L | D1 | L1 | D | d | t | Bit Part No. | Screwdriver Part No. |
Qty per Pack | Mass (g) |
Price (USD) |
CAD Download |
QTY (Pack) |
|---|---|---|---|---|---|---|---|---|---|---|---|---|---|---|---|
| SRGFS-M4-10-ALK-SET | M4 | 0.7 | 10 | 8 | 2.3 | 12 | 4.5 | 2.5 | SRGB-4 | SRD-6.35 | 10 | 1.03 | 40.53 | CAD | Cart |
Nabeya Bi-tech Kaisha
Customer Service
Please enter questions about customization and other product-related inquiries here.
Find the inquiry form hereRelated Services
Material/Finish
| SRGFS-ALK-SET | |
|---|---|
| Main Body | SUSXM7 |
| Nylon Patch | Nylon 11 |
| Rosette Washer | SUS303 |
| Strength Class | Equivalent to A2-50 |
Application
Equipment/devices disassembly/tampering preventionTheft prevention for outdoor facilities
Security measures
Safety measures
Screw return and fallout prevented
Characteristics
- Set of five-lobe socket countersunk head screws with nylon patch SRGFS-ALK and rosette washers SWAS-RW.
- SRGFS-ALK can be used without countersinking.
- The friction of the nylon adhered to the thread suppresses the return rotation of the thread.
- Even if the tightening force is lost, the return rotation is suppressed, preventing the screws from falling off.
- The heat resistant temperature of the nylon patch is 120°C.
- This prevents mounting and removing with regular tools.
- Install and remove with SRGB Dedicated Bits and SRD Dedicated Magnetic Screwdriver together.








