Specs/CAD
| Part Number | Max. Load Weight (kg) |
Allowable Moment*1 (N・m) |
Retention Torque (N・m)*2 (N・m) |
Mass (g) |
CAD Download |
Cart |
|---|---|---|---|---|---|---|
| DKSW-120-45-LD | 100 | 125 | 30 | 3200 | CAD | RFQ |
*1: Allowable value for the eccentric load received from the control panel mounted on the rotating part.
*2: Retention torque is the reference maximum retention torque generated when tightening the clamp lever at the maximum clamping force (5.5kN) with no control panel mounted. The retention torque fluctuates in accordance with the tightening strength.
●Two stopper bolts are provided.
Material/Finish
| DKSW | |
|---|---|
| Main Body | Aluminum Alloy Electrostatic Coating (Matte Black) |
| Rotating Part | Cast Iron Low Temperature Black Chrome Treatment |
| Locating Plate | Steel Ferrosoferric Oxide Film (Black) |
| Wedge Holder | Stainless Steel |
| Clamp Lever | Zinc Die Cast Electrostatic Coating (Matte Black) |
| Stopper Bolt M6 × 10 |
Steel Ferrosoferric Oxide Film (Black) |
| Setscrew (Grease Inlet) M6 × 6 |
Steel Ferrosoferric Oxide Film (Black) |
Characteristics
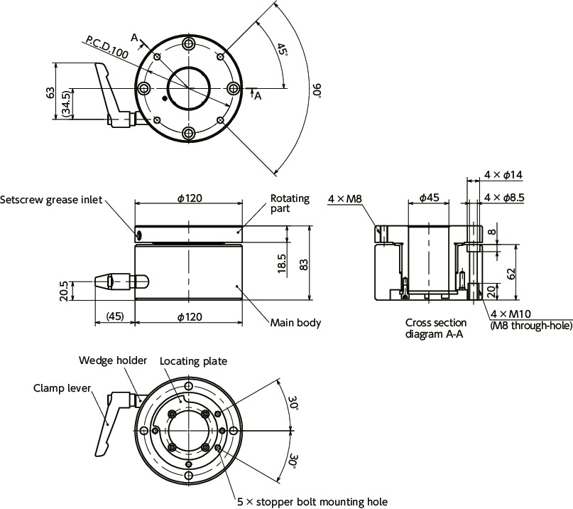
- Unit used to fix and rotate control panels for machine tools, etc.
- Mount the control panel on the rotating part top.
- Control panel wiring can be passed through from the DKSW central hole.
- Tightening the clamp lever will lock the control panel rotation.
- Pulling the lever part of the clamp lever enables the lever part angle position to be arbitrarily changed after tightening.
-
Mount the included stopper bolts at an arbitrary position on the DKSW bottom to restrict the locating plate rotation angle and set the control panel rotation angle.
The rotation angle can be set within a range of 60° to 360°. For details, refer to the Rotation Angle Setting Table.
Precautions for Use
- Use with the rotating part upward. Damage may occur if used in other orientations.
- When rotating the control panel, move it slowly so as not to apply impact to the stopper bolts. The stopper bolts may break under large impact, making it impossible to restrict the control panel rotation angle.
- When rotating the control panel, check that no one is in its vicinity. Injuries may occur if the control panel makes contact with persons nearby.
- When not using the stopper bolts, the control panel rotation will be unrestricted. Be careful not to twist the wiring.
- When installing the control panel to be used, calculate the moment load it generates. Installation is possible if the moment load generated from the control panel does not exceed the allowable moment value.
Calculation Example of Moment Load Generated from Control Panel
<Conditions>Control panel load
= Control panel mass x gravity acceleration
= 30kg x 9.8
= 294N
Moment load generated from control panel
= Horizontal distance from swivel unit rotation axis to control panel center of gravity x control panel load
= 0.112m x 294N
= 32.9N・m
As 32.9N・m < 125N・m, control panel installation is possible

Moment Load Generated from Control Panel and Operating Torque

The operating torque is the initial measured value and is not guaranteed for continued use.
The operating torque when moment load is 0N・m is the value measured by unit with no control panel mounted.
Durability Test Data
<Test Conditions>Moment load generated from control panel : 125N・m
Operation of 1 cycle : Rotate the control panel about 60° and return it to the original position
Number of test cycles : 21,000
Additional greasing : None
<Operating Torque Change>
Before test : 10N・m
After test : 22N・m
Mounting

*3: Screws are not supplied.
Greasing Method
DKSW is filled with grease as of shipping. Greasing upon mounting is not required.Perform maintenance in accordance with the usage conditions. Follow the procedure below when greasing.

*1: The setscrew hex socket width across flat nominal is 3mm.
*2: Grease nipple is not supplied.
*3: Use lithium grease of consistency 1.
Related Products
DKSP stand pipes are available for height adjustment, used in combination with DKSW.DKSP








