Hints for Correctly Using NBK Products
The video is an example using SSC (SSC). You can perform the same operation using this product.
Specs/CAD
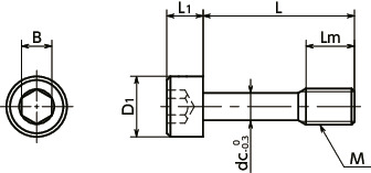
Unit : mm
| Part Number | M (Coarse) Nominal of Thread |
Pitch | L | Lm | D1 | L1 | B | dc | Mass (g) |
CAD Download |
RFQ |
|---|---|---|---|---|---|---|---|---|---|---|---|
| SSC-M5-8-UCL | M5 | 0.8 | 8 | 4 | 8.5 | 5 | 4 | 3.9 | 2.5 | CAD | RFQ |
| SSC-M5-10-UCL | M5 | 0.8 | 10 | 4 | 8.5 | 5 | 4 | 3.9 | 2.7 | CAD | RFQ |
| SSC-M5-12-UCL | M5 | 0.8 | 12 | 6 | 8.5 | 5 | 4 | 3.9 | 3 | CAD | RFQ |
| SSC-M5-16-UCL | M5 | 0.8 | 16 | 6 | 8.5 | 5 | 4 | 3.9 | 3.5 | CAD | RFQ |
| SSC-M5-20-UCL | M5 | 0.8 | 20 | 6 | 8.5 | 5 | 4 | 3.9 | 4 | CAD | RFQ |
| SSC-M5-25-UCL | M5 | 0.8 | 25 | 6 | 8.5 | 5 | 4 | 3.9 | 4.8 | CAD | RFQ |
● Batch cleanroom packing is provided for orders containing multiple items of the same size.
Nabeya Bi-tech Kaisha
Customer Service
Please enter questions about customization and other product-related inquiries here.
Find the inquiry form hereMaterial/Finish
| SSC-UCL | |
|---|---|
| Main Body | SUSXM7 (Equivalent to SUS304) USC Cleaning |
| Strength Class | A2 - 70 |
Application
For fixing protective covers and maintenance coversCE Marking compatible
Machine tools / Food machinery / Electrical and electronic equipment
Characteristics
- Prevents fallout and loss of the screw. They are intended to fix protective and inspection covers that are frequently installed and removed.
- For CE Marking compatibility. ⇒Use the NBK Captive Screw Series to be comply with CE
- Cleanroom washed (ultrasonic cleaning) and cleanroom packaged. ⇒Cleanroom Wash / Cleanroom Packing Service
- For parts embedded in FPD production equipment, semiconductor manufacturing devices, medical equipment, or food machinery, or used in cleanrooms.
Precautions for Use
- Screw hole inner diameter on the cover side shall be at least the dc dimension.
- The cover thickness should be 0.8 mm or above.
Installation Example
Make a screw hole in the cover, and then pass the SSC-UCL thread part through it. Even when the screw is removed from the frame, SSC-UCL does not fall out of the cover because the SSC-UCL thread part catches on the cover screw hole.






