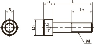
Unit : mm
| Part Number | M (Coarse) Nominal of Thread |
Pitch | L | D1 | L1 | B | L2 | Tensile Breaking Load (N)*1 |
Mass (g) |
CAD Download |
RFQ |
|---|---|---|---|---|---|---|---|---|---|---|---|
| SNSTG-M6-35 | M6 | 1 | 35 | 10 | 6 | 5 | Full Thread | 20800 | 5.6 | CAD | RFQ |
*1: Values in chart are for reference only. They are not guaranteed values.
● Batch cleanroom packing is provided for orders containing multiple items of the same size.
Nabeya Bi-tech Kaisha
Customer Service
Please enter questions about customization and other product-related inquiries here.
Find the inquiry form hereRelated Services
Material/Finish
| SNSTG | |
|---|---|
| Main Body | Ti-6Al-4V(Grade 5 Titanium) |
Application
Lightweight applications in automobiles, aircrafts, spacecrafts, and robotsFPD production equipment, semiconductor devices, electrical and
electronic equipment, and aquatic applications
Characteristics
- Made of high-strength titanium alloy.
- The specific gravity is approximately 60% that of stainless steel.
- Non-magnetic.
- Resistant to corrosion and with especially good seawater resistance.
- Special chemical polishing and brightening treatment improve the quality of the surface. Additionally, products have been cleanroom washed and packed. Cleanroom specification prevents oil and dirt from adhering. ⇒Cleanroom Wash / Cleanroom Packing Service
- For the properties of titanium materials, see "Properties of Titanium."⇒Properties of Titanium
- Equivalent to JIS B 1176, ISO 4762, and DIN 912.
Mechanical Properties
| Ti-6Al-4V (Grade 5 Titanium) | |
|---|---|
| Tensile Strength (N/mm2) | 895 or Higher |
| 0.2% Proof Stress (N/mm2) | 825 or Higher |
| Elongation (%) | 10 or Higher |
Values in chart are for reference only. They are not guaranteed values.
Physical Properties
| Ti-6Al-4V (Grade 5 Titanium) | |
|---|---|
| Specific Gravity | 4.43 |
| Melting Point (℃) | 1540 |
| Longitudinal Elastic Modulus (GPa) | 113 |
| Thermal Conductivity (W/(m・K)) | 7.5 |
| Linear Expansion Coefficient (K-1) | 8.8×10-6 |
| Electric Resistance (μΩ・m) | 1.7 |
| Magnetic Permeability (μ) | 1.0002 (Nonmagnetic) |
Values in chart are for reference only. They are not guaranteed values.






