Hints for Correctly Using NBK Products
The video is an example using SSC(SSC). You can perform the same operation using this product.
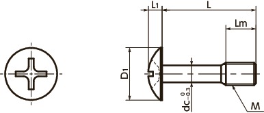
Unit : mm
| Part Number | M (Coarse) Nominal of Thread |
Pitch | L | Lm | D1 | L1 | dc | Cross-recessed Socket Number |
Mass (g) |
CAD Download |
RFQ |
|---|---|---|---|---|---|---|---|---|---|---|---|
| SSCMS-M4-10 | M4 | 0.7 | 10 | 5 | 9.4 | 2.5 | 3 | 2 | 1.4 | CAD | RFQ |
Nabeya Bi-tech Kaisha
Customer Service
Please enter questions about customization and other product-related inquiries here.
Find the inquiry form hereRelated Services
Material/Finish
| SSCMS | |
|---|---|
| Main Body | SUSXM7 (Equivalent to SUS304) |
| Strength Class | A2-50 |
Application
Securement of protective and inspection covers and compliancewith CE marked products
Machine tools, food industry machines, and electrical and
electronic equipment
Characteristics
- The shape of the screws prevent them from falling out and loss. They are intended to fix protective and inspection covers that are frequently installed and removed.
- These screws have large heads that decorate attachment surfaces beautifully.
- These items comply with CE marking requirements.⇒Use the NBK Captive Screw Series to be comply with CE
Precautions for Use
- The inner diameter of the screw hole of the cover must be equal or larger than dimension dc.
- The thickness of the cover must be 0.8 mm or more.
Installation Example
Make a screw hole in the cover, then pass SSCMS thread through it. Even when the screw is removed from the frame, SSCMS does not fall out from the cover because SSCMS thread catches on the screw hole of the cover.






