Specs/CAD
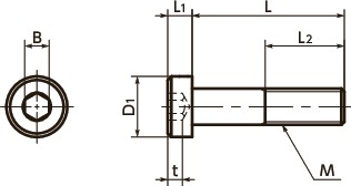
Unit : mm
| Part Number | M (Coarse) Nominal of Thread |
Pitch | L | D1 | L1 | B*1 | t | L2 | Max. Tightening Torque (N・m) |
Qty per Pack |
Mass (g) |
CAD Download |
RFQ |
|---|---|---|---|---|---|---|---|---|---|---|---|---|---|
| SLH-M2-5-TZB | M2 | 0.4 | 5 | 3.8 | 1.3 | 1.3 | 0.7 | Full Thread | 0.3 | 50 | 0.13 | CAD | RFQ |
| SLH-M2-6-TZB | M2 | 0.4 | 6 | 3.8 | 1.3 | 1.3 | 0.7 | Full Thread | 0.3 | 50 | 0.15 | CAD | RFQ |
| SLH-M2-8-TZB | M2 | 0.4 | 8 | 3.8 | 1.3 | 1.3 | 0.7 | Full Thread | 0.3 | 50 | 0.19 | CAD | RFQ |
| SLH-M2-10-TZB | M2 | 0.4 | 10 | 3.8 | 1.3 | 1.3 | 0.7 | Full Thread | 0.3 | 50 | 0.23 | CAD | RFQ |
| SLH-M2-12-TZB | M2 | 0.4 | 12 | 3.8 | 1.3 | 1.3 | 0.7 | Full Thread | 0.3 | 50 | 0.29 | CAD | RFQ |
*1: The hexagonal width across flat of SLH-M10-TZB has been changed from 7 mm to 6 mm.
Nabeya Bi-tech Kaisha
Customer Service
Please enter questions about customization and other product-related inquiries here.
Find the inquiry form here●When purchasing less volume than one full bag, a separate handling fee is charged. For details, see the Sold Separately Service.
Related Services
Material/Finish
| SLH-TZB | |
|---|---|
| Main Body | SWCH45K Trivalent Chromate Treatment |
| Strength Class | 8.8 |
Application
Reducing the size of equipment and devicesCharacteristics
- Socket head cap screws have low head heights.
- Intended for reducing the size of devices and applications with limited overhead space.
- Also, SVLS Socket Head Cap Screws with Low Profile with Ventilation Hole is available.SVLS
- Conforms to DIN 7984.






