Specs/CAD
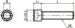
Unit : mm
| Part Number | M (Coarse) Nominal of Thread |
Pitch | L | D1 | L1 | B | Qty per Pack | Mass (g) |
CAD Download |
RFQ |
|---|---|---|---|---|---|---|---|---|---|---|
| SNSS-M2-3-SD | M2 | 0.4 | 3 | 3 | 2 | 1.5 | 10 | 0.088 | CAD | RFQ |
| SNSS-M2-4-SD | M2 | 0.4 | 4 | 3 | 2 | 1.5 | 10 | 0.11 | CAD | RFQ |
| SNSS-M2-5-SD | M2 | 0.4 | 5 | 3 | 2 | 1.5 | 10 | 0.13 | CAD | RFQ |
| SNSS-M2-6-SD | M2 | 0.4 | 6 | 3 | 2 | 1.5 | 10 | 0.15 | CAD | RFQ |
Nabeya Bi-tech Kaisha
Customer Service
Please enter questions about customization and other product-related inquiries here.
Find the inquiry form here●When purchasing less volume than one full bag, a separate handling fee is charged. For details, see the Sold Separately Service.
Related Services
Material/Finish
| SNSS-SD | |
|---|---|
| Main Body | SUSXM7 (S.S. grade:A2) |
| Strength Class | A2-70 |
Application
Reducing the size of equipment and devicesCharacteristics
- Socket head cap screws with small head diameters. Able to reduce the spot facing diameters compared to standard socket head cap screws.
Usage Example
It is possible to perform spot facing and hide the head in locations where spot facing is not possible with standard socket head cap screws.
Precautions for Use
- Since the head bearing surface area is small, bearing surface pressure become high.
- Using the following formula as a reference, ensure that the bearing surface pressure due to screw tightening does not exceed the permitted surface pressure of the intended fastening material.

Head Diameter and Screw Effective Cross-sectional Area
| Part Number | Head Diameter(mm) | Screw effective cross- sectional area(mm2) |
|---|---|---|
| SNS-M3-SD | 4.5 | 5.03 |
| SNS-M4-SD | 5.5 | 8.78 |
| SNS-M5-SD | 7 | 14.2 |
| SNS-M6-SD | 8.5 | 20.1 |
| SNS-M8-SD | 11 | 36.6 |
| SNS-M10-SD | 13.5 | 58 |






