寸法・CAD・価格
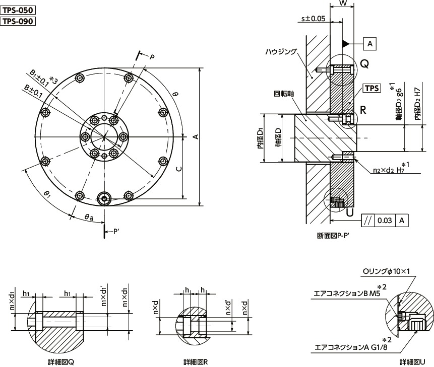
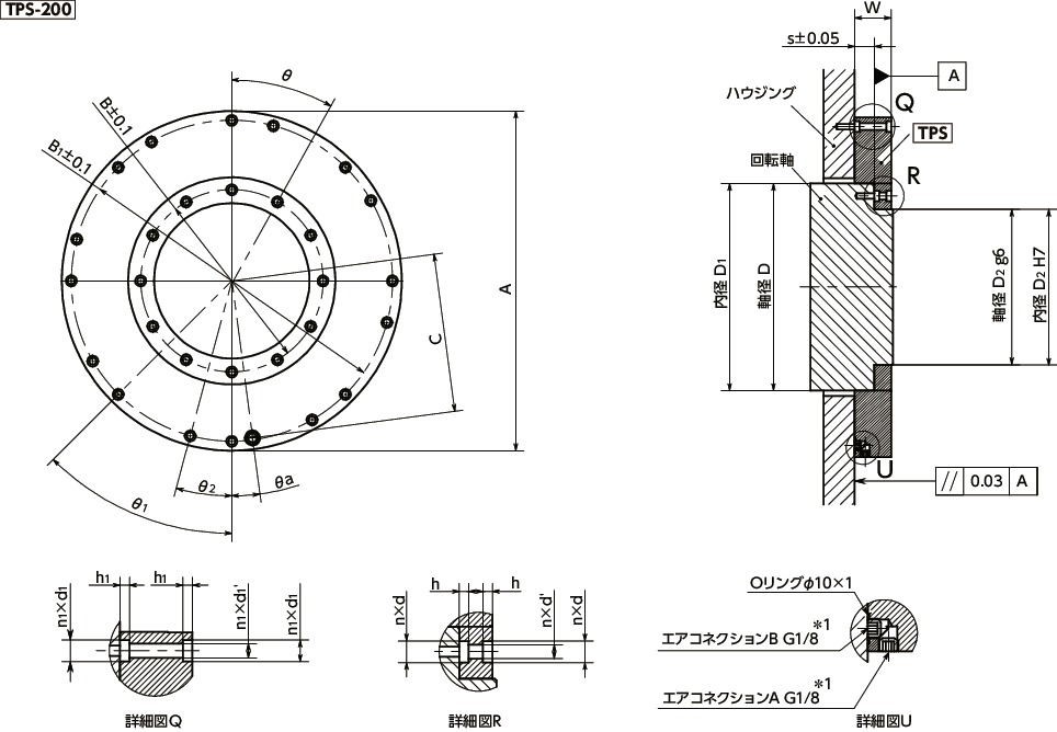
| 品番 | 適応シャフト径 | 保持トルク (N・m) | A | B | B1 | C | θ (°) | θ1(°) | θ2(°) | θa(°) | D | D1 | D2 | W | s | n | d | d' | h | n1 | d1 | d1' | h1 | n2 | d2 | 質量 (kg) | CAD ダウンロード |
|---|---|---|---|---|---|---|---|---|---|---|---|---|---|---|---|---|---|---|---|---|---|---|---|---|---|---|---|
| TPS-050 | 50 | 60 | 145 | 40 | 134 | 65 | 60 | 45 | - | 22.5 | 50 | 51 | 28 | 25 | 13 | 6 | 9 | 5.3 | 3.8 | 8 | 9 | 5.3 | 3.8 | 2 | 5 | 2.35 | - |
| TPS-090 | 90 | 130 | 185 | 80 | 174 | 85 | 45 | 30 | - | 15 | 90 | 91 | 70 | 28 | 14 | 8 | 8.9 | 5.3 | 3.8 | 12 | 8.9 | 5.3 | 3.8 | 4 | 5 | 3.8 | - |
| TPS-200 | 200 | 500 | 328 | 176 | 310 | 153 | 30 | 45 | 15 | 7.5 | 200 | 201 | 150 | 35 | 19 | 12 | 10.4 | 6.4 | 4.6 | 16 | 10.4 | 6.4 | 4.6 | - | - | 12.9 | - |
トラブルシューティング
| 不具合 | 理由 | 考えられる原因 | 解決策 |
|---|---|---|---|
| クランパが解放状態にならない/クランパがレールに接触する | 動作圧力の不足 | 設定されている動作圧力がとても小さい | 製品ページで指定されている値に従って最低使用圧力を設定してください。 |
| エア(オイル)の漏れ,詰まり,配管の途中でせき止められている、圧力供給部の故障など | 配管、クランパ、圧力供給部を確認してください。 | ||
| アプリケーションに対して動作圧力が不十分 | 動作圧力を上げるか、開放圧力を下げたリニアクランパ・ズィーを使用してください(特殊品)。またはNBKに問い合わせください。 | ||
| レスポンスタイムが長すぎる/クランパが開くまでに遅れがある | エアの供給不足 | エアバルブが小さすぎる | 流量が大きいバルブを選定してください。 |
| エアバルブとクランパの間の配管が長すぎる | エアフィルタの交換・清掃をしてください(NBKではエアフィルタ単体での販売は行っておりません)。 | ||
| 排気量が不十分 | クイックエギゾーストバルブかエアフィルタが塞がれている | クイックエギゾーストバルブとエアフィルタの開口部が塞がれていないことを確認し、必要に応じエアフィルタを反対側に移動させてください。 | |
| クイックエギゾーストバルブかエアフィルタが詰まっている | エアフィルタの交換・清掃をしてください(NBKではエアフィルタ単体での販売は行っておりません)。 | ||
| エアバルブとクランパの間の配管が長すぎる | エアバルブとクランパの間の配管を最短にしてください。 | ||
| エア漏れの音が聞こえることがある | 本体の外側から漏れている | 内部のシールの位置がずれている | 5秒以内にクランパを20回以上開閉させてください。 |
| エアコネクションから漏れている | しっかりとエアコネクションが接続されていない/配管が不良品である | エアコネクションと配管を確認し、必要な場合は交換してください。 | |
| 部品の摩耗 | クランパの寿命 | クランパを交換してください。 | |
| 保持トルクの不足 | シャフト公差が許容範囲外 | シャフト公差が許容範囲外 | 技術データを確認してください。 |
| クランパが変形している | 取りつけ先が十分な剛性を有していない | クランパの取りつけ用の面の全面が、十分な剛性を持つテーブル・ベースなどと接する必要があります。 | |
| 同心度の誤差 | 技術データを確認してください。 | ||
| 同心度の誤差 | シャフトとクランパの取りつけ面が仕様に合っていない | クランパをシャフトから取りはずし、取りつけ面を使用に合わせて加工しなおしてください。 | |
| ねじの取りつけ時にクランパがクランプ状態でなかった | 取りつけねじを緩め、組立説明書に従って取りつけなおしてください。 |
一部廃止および後継品発売のご案内
”リニアクランパ・ズィー®”の一部品番を廃止いたします。あわせて、後継品(新商品)を 2025年11月25日(火)に発売いたします。
詳しくは、
https://www.nbk1560.com/news/2025/20251111_TPS/
をご確認ください。









