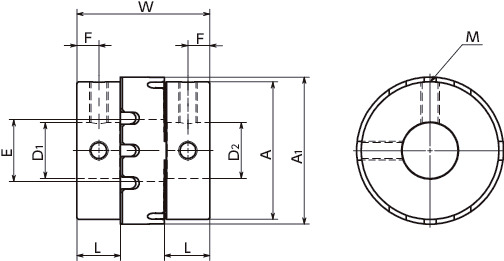
寸法・CAD・価格
単位 : mm
| 品番 | 最大軸穴径 (mm) |
キー溝追加工 最大軸穴径 (mm) |
常用トルク (N・m)*1 |
最大トルク (N・m)*1 |
最高回転数 (min-1) |
慣性 モーメント (kg・m2)*2 |
静的ねじり ばね定数 (N・m/rad) |
許容偏心 (mm) |
許容偏角 (°) |
質量 (g)*2 |
|---|---|---|---|---|---|---|---|---|---|---|
| MOT-55 | 28 | 28 | 30 | 60 | 2000 | 6.9×10-5 | 3100 | 3 | 3 | 160 |
| MOT-63 | 35 | 35 | 45 | 90 | 2000 | 1.5×10-4 | 4900 | 4 | 3 | 260 |
| MOT-75 | 44 | 38 | 80 | 160 | 2000 | 4.7×10-4 | 9800 | 4.5 | 3 | 520 |
*1: 負荷変動による常用トルク・最大トルクの補正は必要ありません。
周囲温度が30℃を超える場合は、常用トルク・最大トルクを下表の温度補正係数で補正してください。MOTの使用可能温度は-20℃~80℃です。
軸穴径のサイズにより、軸のスリップトルクがカップリングの常用トルクより小さくなる場合があります。⇒スリップトルク
*2: 最大軸穴径での値です。| 品番 | 標準軸穴径(寸法許容差H8) D1-D2 |
|||||||||||||
|---|---|---|---|---|---|---|---|---|---|---|---|---|---|---|
| 10 | 12 | 14 | 15 | 16 | 18 | 20 | 22 | 25 | 28 | 30 | 35 | 38 | 40 | |
| MOT-55 | ● | ● | ● | ● | ● | ● | ● | ● | ● | ● | - | - | - | - |
| MOT-63 | - | - | ● | ● | ● | ● | ● | ● | ● | ● | ● | ● | - | - |
| MOT-75 | - | - | - | - | - | ● | ● | ● | ● | ● | ● | ● | ● | ● |
●全商品に六角穴付き止めねじが付属しています。
●適用軸径の推奨寸法許容差はh6およびh7です。
●ハブの一方がセットスクリュータイプ、他方がクランピングタイプその他の組み合わせのご注文にも応じます。
●軸穴およびキー溝の追加工を行います。追加工サービスをご利用ください。
●カップリングへの軸の挿入量は、取りつけ・メンテナンスをご覧ください。⇒取りつけ・メンテナンス
周囲温度・温度補正係数
| 周囲温度 | 温度補正係数 |
|---|---|
| -20℃~30℃ | 1.00 |
| 30℃~40℃ | 0.80 |
| 40℃~60℃ | 0.70 |
| 60℃~80℃ | 0.55 |
構造

材質・仕上げ
| MOT | |
|---|---|
| ハブ | A2017 アルマイト処理*1 |
| スペーサ | ポリアセタール |
| 六角穴付き止めねじ | SCM435 四三酸化鉄皮膜(黒) |
*1: 軸穴の表面処理は、工程の都合により、表面処理ありとなしの部品が混在する場合がありますが、カップリングの性能上問題ありません。
特長
- 適用モータ
| MOT | |
|---|---|
| サーボモータ | ● |
| ステッピングモータ | ● |
| 一般汎用モータ | ◎ |
- 特性
| MOT | |
|---|---|
| 高トルク | ◎ |
| 許容ミスアライメント | ◎ |
| 偏心反力小 | ◎ |
| 使用可能温度 | -20℃~80℃ |
- 日本工作機器工業会における団体規格(TES 1403)に準拠したオルダムタイプのフレキシブルカップリングです。
- ハブとスペーサがスリップすることにより、大きな偏心・偏角を許容します。
- ミスアライメントにより発生する偏心反力が小さく、軸への負担を軽減します。
- シンプル構造で組み立てが簡単です。
用途
搬送コンベア/攪拌機/ポンプスペーサ(ポリアセタール)の耐薬品性
| 影響 | |
|---|---|
| ガソリン | △ |
| 潤滑油 | △ |
| ベンジン | × |
| エチルアルコール | ○ |
| アセトン | △ |
| ベンゼン | △ |
| トルエン | △ |
| キシレン | ○ |
上記データは耐ストレスクラッキング特性を示すものではありません。外的応力下でご使用の場合は、十分ご注意ください。
試験片を用いた室温(23℃)でのテストデータです。耐薬品性は使用条件により変化します。事前に必ず実際と同じ使用条件でテストしてください。
スペーサ(ポリアセタール)の物性
| 試験方法(ASTM) | 単位 | ポリアセタール | |
|---|---|---|---|
| 絶縁耐力 (3mm) |
D149 | kV/mm | 19.0 |
| 表面抵抗値 | D257 | Ω | 1016 |
| 燃焼性(UL) | - | - | HB(0.75mm) |
スペーサ(ポリアセタール)の材質特性を示したものであり、製品としての性能を保証するものではありません。
燃焼性は原料情報及びUL規格を参考にした評価試験結果に基づき類推した値です。
使用条件により特性が変化しますので、事前に実際と同じ条件でテストしてください。
スペーサの突起構造
スペーサの突起構造が大きな偏角を無理なく許容。軸への負担を軽減します。
温度による静的ねじりばね定数の変化
20℃における静的ねじりばね定数を100%とした場合の値です。使用温度の範囲内での静的ねじりばね定数の変化はグラフのとおりです。
ご使用にあたっては応答性の低下に注意してください。





