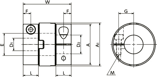
寸法・CAD・価格
単位 : mm
| 品番 | 最大軸穴径 (mm) |
常用トルク (N・m)*1 |
最大トルク (N・m)*1 |
最高回転数 (min-1) |
慣性 モーメント (kg・m2)*2 |
静的ねじり ばね定数 (N・m/rad) |
許容偏心 (mm) |
許容偏角 (°) |
質量 (g)*2 |
|---|---|---|---|---|---|---|---|---|---|
| MOC-28C | 14 | 8 | 14 | 3000 | 3.2×10-6 | 350 | 1.5 | 3 | 27 |
*1: 周囲温度が30℃を超える場合は、常用トルク・最大トルクを下表の温度補正係数で補正してください。MOC-Cの使用可能温度は-20℃~80℃です。
軸穴径のサイズにより、軸のスリップトルクがカップリングの常用トルクより小さくなる場合があります。⇒スリップトルク
*2: 最大軸穴径での値です。| 品番 | 標準軸穴径 D1-D2 | |||||||||||
|---|---|---|---|---|---|---|---|---|---|---|---|---|
| 3 | 4 | 5 | 6 | 8 | 10 | 12 | 14 | 15 | 16 | 18 | 20 | |
| MOC-28C | - | - | - | ● | ● | ● | ● | ● | - | - | - | - |
●全商品に六角穴付きボルトが付属しています。
●適用軸径の推奨寸法許容差はh6およびh7です。
●ハブの一方がセットスクリュータイプ、他方がクランピングタイプその他の組み合わせのご注文にも応じます。
●軸穴およびキー溝の追加工を行います。追加工サービスをご利用ください。
●カップリングへの軸の挿入量は、取りつけ・メンテナンスをご覧ください。⇒取りつけ・メンテナンス
周囲温度・温度補正係数
| 周囲温度 | 温度補正係数 |
|---|---|
| -20℃~30℃ | 1.00 |
| 30℃~40℃ | 0.80 |
| 40℃~60℃ | 0.70 |
| 60℃~80℃ | 0.55 |
スリップトルク
クランピングタイプのMOC-Cは下表のように、軸穴径によって軸のスリップトルクが異なります。選定の際は注意してください。単位 : N・m
| 品番 | 軸穴径 | |||||||||||
|---|---|---|---|---|---|---|---|---|---|---|---|---|
| 3 | 4 | 5 | 6 | 8 | 10 | 12 | 14 | 15 | 16 | 18 | 20 | |
| MOC-12C | 0.8 | 1.9 | 2.4 | |||||||||
| MOC-17C | 2.3 | 3.5 | 4.8 | |||||||||
| MOC-23C | 3.7 | 4.2 | 5.7 | |||||||||
| MOC-28C | 4 | 9.3 | ||||||||||
| MOC-33C | 7.5 | 13 | 17 | 20 | ||||||||
| MOC-41C | 19 | 20 | 24 | 30 | 34 | 37 | 38 | |||||
軸の寸法許容差h7、硬度34-40HRC、MOC-Cの寸法表に記載のねじ締めつけトルクの値での試験値であり保証値ではありません。
スリップトルクは使用条件により変化します。事前に実際と同じ条件でテストしてください。
材質・仕上げ
| MOC-C | |
|---|---|
| ハブ | A2017 アルマイト処理*1 |
| スペーサ | リサイクル炭素繊維入りポリアセタール |
| 六角穴付きボルト | SCM435 四三酸化鉄皮膜(黒) |
*1: 軸穴の表面処理は、工程の都合により、表面処理ありとなしの部品が混在する場合がありますが、カップリングの性能上問題ありません。
特長
- 適用モータ
| MOC | |
|---|---|
| サーボモータ | ● |
| ステッピングモータ | ● |
| 一般汎用モータ | ◎ |
- 特性
| MOC | |
|---|---|
| 高トルク | ◎ |
| 許容ミスアライメント | ◎ |
| 偏心反力小 | ◎ |
| 使用可能温度 | -20℃~80℃ |
- オルダムタイプのフレキシブルカップリングです。
- スペーサには環境にやさしいリサイクル炭素繊維入り樹脂を採用。MORより高トルク仕様です。
- ハブとスペーサがスリップすることにより、大きな偏心・偏角を許容します。
- ミスアライメントにより発生する偏心反力が小さく、軸への負担を軽減します。
- シンプル構造で組み立てが簡単です。
- 日本工作機器工業会における団体規格(TES 1403)準拠品です。
用途
スパッタリング装置/パーツフィーダ/工作用ミシン/アミューズメント機器使用上の注意
- Dカット軸に取りつける場合は、軸のDカット面の位置に注意してください。⇒取りつけ・メンテナンス
- カップリングの外径から六角穴付きボルトが飛び出して、回転直径が外径より大きくなるサイズがあります。カップリングの干渉に注意してください。回転直径
選定
軸径・常用トルクによる選定
軸径と常用トルクが交差した領域が選定サイズになります。
選定例
選定条件が軸径φ8、負荷トルク0.4N・mのとき、選定サイズはMOC-23です。常用トルクの比較

スペーサの突起構造
スペーサの突起構造が大きな偏角を無理なく許容。軸への負担を軽減します。
温度による静的ねじりばね定数の変化
20℃における静的ねじりばね定数を100%とした場合の値です。使用温度の範囲内での静的ねじりばね定数の変化はグラフのとおりです。
ご使用にあたっては応答性の低下に注意してください。








