寸法・CAD・価格
単位 : mm
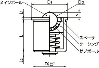
| 品番 | D | D1 | L | s | L1 | L2 | Db | 荷重(N) min./max. |
質量 (g) |
価格 (円/個) |
税込 価格 |
CAD ダウンロード |
数量(個) | 在庫/非在庫 |
|---|---|---|---|---|---|---|---|---|---|---|---|---|---|---|
| BRPPS-14-S | 14 | 16 | 14 | 1.5 | 1.5 | 1.5 | 5.56 | 23 / 30 | 16 | 2,220 | 2,442 | CAD | カート | 在庫品 |
| BRPPS-18-S | 18 | 20 | 17 | 2.5 | 1.5 | 2 | 8.73 | 24 / 38 | 31 | 2,460 | 2,706 | CAD | カート | 在庫品 |
| BRPPS-22-S | 22 | 24 | 21.5 | 3.5 | 1.5 | 2 | 10.32 | 24 / 55 | 55 | 2,740 | 3,014 | CAD | カート | 在庫品 |
材質・仕上げ
| BRPPS-S | |
|---|---|
| 本体 | SUS304 |
| メインボール | SUS440C(硬度55HRC以上) |
| サブボール | SUS440C(硬度55HRC以上) |
| スペーサ | SUS304 |
| ケーシング | SUS304 |
| スプリング | SUS631J1 |
用途
搬送/ワークの固定・位置決め/トルクリミッタ/割り出し特長
- プランジャ機能つきボールローラ。圧入タイプ。
- 本体部を圧入するため、高さを抑えることができます。
- 内部のスプリングにより偏荷重がある場合でも、均等に荷重を受けることができます。
- ワークの固定・位置決めなど一般的なボールプランジャとしても使用できます。ボールの回転が滑らかなため、メインボールと受け側の摩耗を低減します。
- 取りつけ穴の推奨公差はH7です。
使用上の注意
- 上向き専用です。下向き・横向きで使用すると商品が破損したり、ボールの動作不良の原因となります。
- メインボールのストローク分、底部が可動します。取りつけ穴の深さにご注意ください。









