特長
- ロボットの据えつけ高さを調節する鋳鉄製架台です。
- ロボットの据えつけ高さを300mm~700mm高くします。
- 可搬重量3kg~35kgのファナック製ロボットに対応しています。
- ロボットベースの基準面を当てて位置決めするための突き当て部を設けています。
* 適用ロボットによっては、ピンで位置決めをする場合があります。
- ロボットスタンド側面のねじ穴は、空気圧機器などの取りつけにご利用できます。
- 特殊仕様の商品にも対応します。コンタクトセンターへお問い合わせください。

選定表
下表を参考に、ロボットの機種名からロボットスタンドを選定してください。その他の位置決め方法や下表に記載していないロボットに合わせた追加工にも対応します。
コンタクトセンターへお問い合わせください。
| ロボット機種名 FANUC ROBOT*1 |
ロボットスタンド品番 | 高さ*2(mm) | ロボット据えつけ面の仕様 |
|---|---|---|---|
| CRX-5iA | RSA-FA-180-400-A RSA-FA-180-500-A RSA-FA-180-600-A RSA-FA-180-700-A |
585 685 785 885 |
図1 |
| LR Mate 200iD/4S LR Mate 200iD/4SC LR Mate 200iD/4SH ER-4iA LR Mate 4-6D LR Mate 4-6D Entry |
RSA-FA-180-400-B RSA-FA-180-500-B RSA-FA-180-600-B RSA-FA-180-700-B |
585 685 785 885 |
図2 |
| LR Mate 200iD LR Mate 200iD/7H LR Mate 200iD/7L LR Mate 200iD/14L ARC Mate 50iD ARC Mate 50iD/7L LR Mate7-7D LR Mate7-7D-5X LR Mate7-9D LR Mate14-9D |
RSA-FA-224-300-A RSA-FA-224-400-A RSA-FA-224-500-A RSA-FA-224-600-A |
630 730 830 930 |
図3 |
| CRX-10iA CRX-10iA/L CRX-20iA/L |
RSA-FA-224-300-B RSA-FA-224-400-B RSA-FA-224-500-B RSA-FA-224-600-B |
545 645 745 845 |
図4 |
| LR-10iA LR Mate 10iA |
RSA-FA-224-300-C RSA-FA-224-400-C RSA-FA-224-500-C RSA-FA-224-600-C |
700 800 900 1000 |
図5 |
| SR-3iA | RSA-FA-224-300-D RSA-FA-224-400-D RSA-FA-224-500-D RSA-FA-224-600-D |
- | 図6 |
| SR-6iA | RSA-FA-224-300-E RSA-FA-224-400-E RSA-FA-224-500-E RSA-FA-224-600-E |
- | 図7 |
| M-10iA/7L M-10iA/8L M-10iA/10M M-10iA/10MS M-10iA/12 M-10iA/12S ARC Mate 100iC/7L ARC Mate 100iC/8L ARC Mate 100iC/12 ARC Mate 100iC/12S |
RSA-FA-330-350-A RSA-FA-330-450-A RSA-FA-330-550-A |
800 900 1000 |
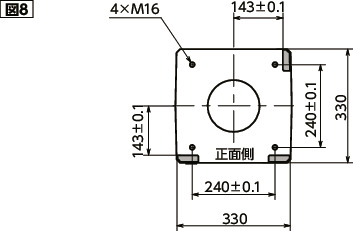
図8 |
| CR-4iA CR-7iA CR-7iA/L CR-14iA/L |
RSA-FA-330-350-B RSA-FA-330-450-B RSA-FA-330-550-B |
807 907 1007 |
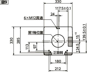
図9 |
| CRX-25iA CRX-30iA |
RSA-FA-330-350-C RSA-FA-330-450-C RSA-FA-330-550-C |
720 820 920 |
図10 |
| SR-12iA SR-20iA |
RSA-FA-330-350-D RSA-FA-330-450-D RSA-FA-330-550-D |
- | 図11 |
| M-10iD/12 M-10iD/10L M-10iD/16S M-10iD/8L M-10/12-14D M-10/10-16D M-10/16-11D M-10/8-20D ARC Mate 100iD ARC Mate 100iD/10L ARC Mate 100iD/16S ARC Mate 100iD/8L ARC Mate 100iD/8L ARC Mate/12-14D ARC Mate/10-16D ARC Mate/16-11D ARC Mate/8-20D |
RSA-FA-430-350-A RSA-FA-430-450-A RSA-FA-430-550-A |
800 900 1000 |
図12 |
| M-20iD/25 M-20iD/12L M-20iD/35 ARC Mate 120iD ARC Mate 120iD/12L ARC Mate 120iD/35 M-20/25-18D M-20/12-23D M-20/35-18D ARC Mate/25-18D ARC Mate/12-23D ARC Mate/35-18D |
RSA-FA-430-350-A RSA-FA-430-450-A RSA-FA-430-550-A |
775 875 975 |
図12 |
*1: FANUC ROBOTはファナック株式会社の登録商標です。
*2: ロボットスタンドRSA-FAにロボットを据えつけた状態における、設置面からロボット第2軸までの高さです。(ベースプレートを除く)
底面分線盤タイプには対応していません。

ピンは付属していません。

図中のグレー部分は、位置決めするための突き当て部(高さ5mm)です。

図中のグレー部分は、位置決めするための突き当て部(高さ5mm)です。

ピンは付属していません。

図中のグレー部分は、位置決めするための突き当て部(高さ5mm)です。

図中のグレー部分は、位置決めするための突き当て部(高さ5mm)です。

図中のグレー部分は、位置決めするための突き当て部(高さ5mm)です。

図中のグレー部分は、位置決めするための突き当て部(高さ5mm)です。

*3: ロボットを据えつけたとき、ロボット第1軸の旋回軸中心とロボットスタンドの中心が正面側へ15mmオフセットします。
図中のグレー部分は、位置決めするための突き当て部(高さ5mm)です。

図中のグレー部分は、位置決めするための突き当て部(高さ5mm)です。

図中のグレー部分は、位置決めするための突き当て部(高さ5mm)です。

図中のグレー部分は、位置決めするための突き当て部(高さ5mm)です。
寸法・CAD・価格
単位 : mm
| 品番 | B | H | D | d | P | T1 | T2 | P1 | P2 | P3 | P4 | 質量 (kg) |
価格 (円) |
税込 価格 |
CAD ダウンロード |
標準品を購入 | 在庫/非在庫 |
|---|---|---|---|---|---|---|---|---|---|---|---|---|---|---|---|---|---|
| RSA-FA-180-400-A | 180 | 400 | 60 | 12 | 150 | 19 | 18 | 60 | 80 | 120 | 60 | 18.2 | 63,800 | 70,180 | CAD | カート | 実働8日目出荷 |
| RSA-FA-180-500-A | 180 | 500 | 60 | 12 | 150 | 19 | 18 | 60 | 80 | 120 | 110 | 22.2 | 72,500 | 79,750 | CAD | カート | 実働8日目出荷 |
| RSA-FA-180-600-A | 180 | 600 | 60 | 12 | 150 | 19 | 18 | 60 | 80 | 120 | 160 | 25.6 | 78,300 | 86,130 | CAD | カート | 実働8日目出荷 |
| RSA-FA-180-700-A | 180 | 700 | 60 | 12 | 150 | 19 | 18 | 60 | 80 | 120 | 210 | 27.9 | 80,300 | 88,330 | CAD | カート | 実働8日目出荷 |
| RSA-FA-180-400-B | 180 | 400 | 60 | 12 | 150 | 19 | 18 | 60 | 80 | 120 | 60 | 18.2 | 63,800 | 70,180 | CAD | カート | 実働8日目出荷 |
| RSA-FA-180-500-B | 180 | 500 | 60 | 12 | 150 | 19 | 18 | 60 | 80 | 120 | 110 | 22.2 | 72,500 | 79,750 | CAD | カート | 実働8日目出荷 |
| RSA-FA-180-600-B | 180 | 600 | 60 | 12 | 150 | 19 | 18 | 60 | 80 | 120 | 160 | 25.6 | 78,300 | 86,130 | CAD | カート | 実働8日目出荷 |
| RSA-FA-180-700-B | 180 | 700 | 60 | 12 | 150 | 19 | 18 | 60 | 80 | 120 | 210 | 27.9 | 80,300 | 88,330 | CAD | カート | 実働8日目出荷 |
| RSA-FA-224-300-A | 224 | 300 | 80 | 12 | 180 | 20 | 20 | 60 | 80 | 120 | 10 | 21.1 | 79,100 | 87,010 | CAD | カート | 実働8日目出荷 |
| RSA-FA-224-400-A | 224 | 400 | 80 | 12 | 180 | 20 | 20 | 60 | 80 | 120 | 60 | 25.2 | 85,800 | 94,380 | CAD | カート | 実働8日目出荷 |
| RSA-FA-224-500-A | 224 | 500 | 80 | 12 | 180 | 20 | 20 | 60 | 80 | 120 | 110 | 29.3 | 91,000 | 100,100 | CAD | カート | 実働8日目出荷 |
| RSA-FA-224-600-A | 224 | 600 | 80 | 12 | 180 | 20 | 20 | 60 | 80 | 120 | 160 | 33.4 | 97,700 | 107,470 | CAD | カート | 実働8日目出荷 |
| RSA-FA-224-300-B | 224 | 300 | 80 | 12 | 180 | 20 | 20 | 60 | 80 | 120 | 10 | 21.0 | 79,100 | 87,010 | CAD | カート | 実働8日目出荷 |
| RSA-FA-224-400-B | 224 | 400 | 80 | 12 | 180 | 20 | 20 | 60 | 80 | 120 | 60 | 25.1 | 85,800 | 94,380 | CAD | カート | 実働8日目出荷 |
| RSA-FA-224-500-B | 224 | 500 | 80 | 12 | 180 | 20 | 20 | 60 | 80 | 120 | 110 | 29.2 | 91,000 | 100,100 | CAD | カート | 実働8日目出荷 |
| RSA-FA-224-600-B | 224 | 600 | 80 | 12 | 180 | 20 | 20 | 60 | 80 | 120 | 160 | 33.3 | 97,700 | 107,470 | CAD | カート | 実働8日目出荷 |
| RSA-FA-224-300-C | 224 | 300 | 80 | 12 | 180 | 20 | 20 | 60 | 80 | 120 | 10 | 21.0 | 79,100 | 87,010 | CAD | カート | 実働8日目出荷 |
| RSA-FA-224-400-C | 224 | 400 | 80 | 12 | 180 | 20 | 20 | 60 | 80 | 120 | 60 | 25.1 | 85,800 | 94,380 | CAD | カート | 実働8日目出荷 |
| RSA-FA-224-500-C | 224 | 500 | 80 | 12 | 180 | 20 | 20 | 60 | 80 | 120 | 110 | 29.2 | 91,000 | 100,100 | CAD | カート | 実働8日目出荷 |
| RSA-FA-224-600-C | 224 | 600 | 80 | 12 | 180 | 20 | 20 | 60 | 80 | 120 | 160 | 33.3 | 97,700 | 107,470 | CAD | カート | 実働8日目出荷 |
| RSA-FA-224-300-D | 224 | 300 | 80 | 12 | 180 | 20 | 20 | 60 | 80 | 120 | 10 | 21.4 | 79,100 | 87,010 | CAD | カート | 実働8日目出荷 |
| RSA-FA-224-400-D | 224 | 400 | 80 | 12 | 180 | 20 | 20 | 60 | 80 | 120 | 60 | 25.5 | 85,800 | 94,380 | CAD | カート | 実働8日目出荷 |
| RSA-FA-224-500-D | 224 | 500 | 80 | 12 | 180 | 20 | 20 | 60 | 80 | 120 | 110 | 29.6 | 91,000 | 100,100 | CAD | カート | 実働8日目出荷 |
| RSA-FA-224-600-D | 224 | 600 | 80 | 12 | 180 | 20 | 20 | 60 | 80 | 120 | 160 | 33.7 | 97,700 | 107,470 | CAD | カート | 実働8日目出荷 |
| RSA-FA-224-300-E | 224 | 300 | 80 | 12 | 180 | 20 | 20 | 60 | 80 | 120 | 10 | 21.3 | 79,100 | 87,010 | CAD | カート | 実働8日目出荷 |
| RSA-FA-224-400-E | 224 | 400 | 80 | 12 | 180 | 20 | 20 | 60 | 80 | 120 | 60 | 25.3 | 85,800 | 94,380 | CAD | カート | 実働8日目出荷 |
| RSA-FA-224-500-E | 224 | 500 | 80 | 12 | 180 | 20 | 20 | 60 | 80 | 120 | 110 | 29.4 | 91,000 | 100,100 | CAD | カート | 実働8日目出荷 |
| RSA-FA-224-600-E | 224 | 600 | 80 | 12 | 180 | 20 | 20 | 60 | 80 | 120 | 160 | 33.5 | 97,700 | 107,470 | CAD | カート | 実働8日目出荷 |
| RSA-FA-330-350-A | 330 | 350 | 150 | 22 | 265 | 32 | 40 | 120 | 80 | 150 | 20 | 60.1 | 161,000 | 177,100 | CAD | カート | 実働8日目出荷 |
| RSA-FA-330-450-A | 330 | 450 | 150 | 22 | 265 | 32 | 40 | 120 | 80 | 150 | 70 | 68.3 | 174,000 | 191,400 | CAD | カート | 実働8日目出荷 |
| RSA-FA-330-550-A | 330 | 550 | 150 | 22 | 265 | 32 | 40 | 120 | 80 | 150 | 120 | 76.4 | 189,000 | 207,900 | CAD | カート | 実働8日目出荷 |
| RSA-FA-330-350-B | 330 | 350 | 150 | 22 | 265 | 32 | 40 | 120 | 80 | 150 | 20 | 60.5 | 161,000 | 177,100 | CAD | カート | 実働8日目出荷 |
| RSA-FA-330-450-B | 330 | 450 | 150 | 22 | 265 | 32 | 40 | 120 | 80 | 150 | 70 | 68.4 | 174,000 | 191,400 | CAD | カート | 実働8日目出荷 |
| RSA-FA-330-550-B | 330 | 550 | 150 | 22 | 265 | 32 | 40 | 120 | 80 | 150 | 120 | 76.8 | 189,000 | 207,900 | CAD | カート | 実働8日目出荷 |
| RSA-FA-330-350-C | 330 | 350 | 150 | 22 | 265 | 32 | 40 | 120 | 80 | 150 | 20 | 60.2 | 161,000 | 177,100 | CAD | カート | 実働8日目出荷 |
| RSA-FA-330-450-C | 330 | 450 | 150 | 22 | 265 | 32 | 40 | 120 | 80 | 150 | 70 | 68.4 | 174,000 | 191,400 | CAD | カート | 実働8日目出荷 |
| RSA-FA-330-550-C | 330 | 550 | 150 | 22 | 265 | 32 | 40 | 120 | 80 | 150 | 120 | 76.5 | 189,000 | 207,900 | CAD | カート | 実働8日目出荷 |
| RSA-FA-330-350-D | 330 | 350 | 150 | 22 | 265 | 32 | 40 | 120 | 80 | 150 | 20 | 60.9 | 161,000 | 177,100 | CAD | カート | 実働8日目出荷 |
| RSA-FA-330-450-D | 330 | 450 | 150 | 22 | 265 | 32 | 40 | 120 | 80 | 150 | 70 | 68.8 | 174,000 | 191,400 | CAD | カート | 実働8日目出荷 |
| RSA-FA-330-550-D | 330 | 550 | 150 | 22 | 265 | 32 | 40 | 120 | 80 | 150 | 120 | 76.4 | 189,000 | 207,900 | CAD | カート | 実働8日目出荷 |
| RSA-FA-430-350-A | 430 | 350 | 150 | 22 | 365 | 35 | 40 | 120 | 85 | 160 | 10 | 110 | 370,000 | 407,000 | CAD | カート | 実働8日目出荷 |
| RSA-FA-430-450-A | 430 | 450 | 150 | 22 | 365 | 35 | 40 | 120 | 85 | 160 | 40 | 122 | 400,000 | 440,000 | CAD | カート | 実働8日目出荷 |
| RSA-FA-430-550-A | 430 | 550 | 150 | 22 | 365 | 35 | 40 | 120 | 85 | 160 | 110 | 134 | 430,000 | 473,000 | CAD | カート | 実働8日目出荷 |
実働8日目出荷です。ご注文数が6個以上の場合はコンタクトセンターへお問い合わせください。
構造

材質・仕上げ
| RSA-FA | |
|---|---|
| 本体 | FC250 塗装(青色) |
使用上の注意
- ロボットスタンドはベースプレート上に設置してください。ベースプレートの仕様はロボットの取扱説明書をご参照ください。または、ロボットメーカにお問い合わせください。

- ロボットとロボットスタンド、ロボットスタンドとベースプレートの締結に使用するねじは、強度区分12.9ではめあい長さは1.5d以上を目安にしてください。
- ロボット据えつけ面の傾きをロボットメーカの推奨値以内にしてください。
- NBKの鋳出し文字がある面とロボットの正面を合わせてください。

仕様変更のご案内
ロボットスタンドの一部品番につきまして、仕様を変更いたします。詳しくは、
https://www.nbk1560.com/news/2025/20251111_RSA/
をご確認ください。










