特長
- ロボットの据えつけ高さを調節する鋳鉄製架台です。
- ロボットの据えつけ高さを300mm~600mm高くします。
- 可搬重量3kg~25kgの安川電機製ロボットに対応しています。
- ロボットベースの基準面を当てて位置決めするための突き当て部を設けています。
* 適用ロボットによっては、ピンで位置決めをする場合があります。
- ロボットスタンド側面のねじ穴は、空気圧機器などの取りつけにご利用できます。
- 特殊仕様の商品にも対応します。コンタクトセンターへお問い合わせください。

選定表
下表を参考に、ロボットの機種名からロボットスタンドを選定してください。その他の位置決め方法や下表に記載していないロボットに合わせた追加工にも対応します。
コンタクトセンターへお問い合わせください。
| ロボット機種名 MOTOMAN*1 Robot |
ロボットスタンド品番 | 高さ*2(mm) | ロボット据えつけ面の仕様 |
|---|---|---|---|
| MOTOMAN-GP4 | RSA-YS-224-300-A RSA-YS-224-400-A RSA-YS-224-500-A RSA-YS-224-600-A |
660 760 860 960 |
図1 |
| MOTOMAN-GP7 MOTOMAN-GP8 MOTOMAN-AR900 MOTOMAN-AR700 |
RSA-YS-224-300-B RSA-YS-224-400-B RSA-YS-224-500-B RSA-YS-224-600-B |
660 760 860 960 |
図2 |
| MOTOMAN-MH3F | RSA-YS-224-300-C RSA-YS-224-400-C RSA-YS-224-500-C RSA-YS-224-600-C |
590 690 790 890 |
図3 |
| MOTOMAN-SG400 | RSA-YS-224-300-D RSA-YS-224-400-D RSA-YS-224-500-D RSA-YS-224-600-D |
- | 図4 |
| MOTOMAN-SG650 | RSA-YS-224-300-E RSA-YS-224-400-E RSA-YS-224-500-E RSA-YS-224-600-E |
- | 図5 |
| MOTOMAN-GP12 MOTOMAN-AR1440 MOTOMAN-AR1440E |
RSA-YS-330-350-A RSA-YS-330-450-A RSA-YS-330-550-A |
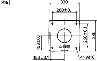
797 897 997 |
図6 |
| MOTOMAN-HC10DTP MOTOMAN-HC10SDTP |
RSA-YS-330-350-B RSA-YS-330-450-B RSA-YS-330-550-B |
625 725 825 |
図7 |
| MOTOMAN-GP25 MOTOMAN-GP25-12 |
RSA-YS-430-350-A RSA-YS-430-450-A RSA-YS-430-550-A |
855 955 1055 |
図8 |
*1: MOTOMANは株式会社安川電機の登録商標です。
*2: ロボットスタンドRSA-YSにロボットを据えつけた状態における、設置面からロボット第2軸までの高さです。(ベースプレートを除く)
給電ケーブル底面出しタイプには対応していません。

図中のグレー部分は、位置決めするための突き当て部(高さ5mm)です。

ピンは付属していません。

図中のグレー部分は、位置決めするための突き当て部(高さ5mm)です。

ピンは付属していません。

ピンは付属していません。

図中のグレー部分は、位置決めするための突き当て部(高さ8mm)です。

図中のグレー部分は、位置決めするための突き当て部(高さ5mm)です。

図中のグレー部分は、位置決めするための突き当て部(高さ8mm)です。
寸法・CAD・価格
単位 : mm
| 品番 | B | H | D | d | P | T1 | T2 | P1 | P2 | P3 | P4 | 質量 (kg) |
価格 (円) |
税込 価格 |
CAD ダウンロード |
標準品を購入 | 在庫/非在庫 |
|---|---|---|---|---|---|---|---|---|---|---|---|---|---|---|---|---|---|
| RSA-YS-224-300-A | 224 | 300 | 80 | 12 | 180 | 20 | 20 | 60 | 80 | 120 | 10 | 21.2 | 79,100 | 87,010 | CAD | カート | 実働8日目出荷 |
| RSA-YS-224-400-A | 224 | 400 | 80 | 12 | 180 | 20 | 20 | 60 | 80 | 120 | 60 | 25.3 | 85,800 | 94,380 | CAD | カート | 実働8日目出荷 |
| RSA-YS-224-500-A | 224 | 500 | 80 | 12 | 180 | 20 | 20 | 60 | 80 | 120 | 110 | 29.4 | 91,000 | 100,100 | CAD | カート | 実働8日目出荷 |
| RSA-YS-224-600-A | 224 | 600 | 80 | 12 | 180 | 20 | 20 | 60 | 80 | 120 | 160 | 33.5 | 97,700 | 107,470 | CAD | カート | 実働8日目出荷 |
| RSA-YS-224-300-B | 224 | 300 | 80 | 12 | 180 | 20 | 20 | 60 | 80 | 120 | 10 | 21.0 | 79,100 | 87,010 | CAD | カート | 実働8日目出荷 |
| RSA-YS-224-400-B | 224 | 400 | 80 | 12 | 180 | 20 | 20 | 60 | 80 | 120 | 60 | 25.1 | 85,800 | 94,380 | CAD | カート | 実働8日目出荷 |
| RSA-YS-224-500-B | 224 | 500 | 80 | 12 | 180 | 20 | 20 | 60 | 80 | 120 | 110 | 29.2 | 91,000 | 100,100 | CAD | カート | 実働8日目出荷 |
| RSA-YS-224-600-B | 224 | 600 | 80 | 12 | 180 | 20 | 20 | 60 | 80 | 120 | 160 | 33.3 | 97,700 | 107,470 | CAD | カート | 実働8日目出荷 |
| RSA-YS-224-300-C | 224 | 300 | 80 | 12 | 180 | 20 | 20 | 60 | 80 | 120 | 10 | 21.2 | 79,100 | 87,010 | CAD | カート | 実働8日目出荷 |
| RSA-YS-224-400-C | 224 | 400 | 80 | 12 | 180 | 20 | 20 | 60 | 80 | 120 | 60 | 25.3 | 85,800 | 94,380 | CAD | カート | 実働8日目出荷 |
| RSA-YS-224-500-C | 224 | 500 | 80 | 12 | 180 | 20 | 20 | 60 | 80 | 120 | 110 | 29.4 | 91,000 | 100,100 | CAD | カート | 実働8日目出荷 |
| RSA-YS-224-600-C | 224 | 600 | 80 | 12 | 180 | 20 | 20 | 60 | 80 | 120 | 160 | 33.5 | 97,700 | 107,470 | CAD | カート | 実働8日目出荷 |
| RSA-YS-224-300-D | 224 | 300 | 80 | 12 | 180 | 20 | 20 | 60 | 80 | 120 | 10 | 21.0 | 79,100 | 87,010 | CAD | カート | 実働8日目出荷 |
| RSA-YS-224-400-D | 224 | 400 | 80 | 12 | 180 | 20 | 20 | 60 | 80 | 120 | 60 | 25.1 | 85,800 | 94,380 | CAD | カート | 実働8日目出荷 |
| RSA-YS-224-500-D | 224 | 500 | 80 | 12 | 180 | 20 | 20 | 60 | 80 | 120 | 110 | 29.1 | 91,000 | 100,100 | CAD | カート | 実働8日目出荷 |
| RSA-YS-224-600-D | 224 | 600 | 80 | 12 | 180 | 20 | 20 | 60 | 80 | 120 | 160 | 33.3 | 97,700 | 107,470 | CAD | カート | 実働8日目出荷 |
| RSA-YS-224-300-E | 224 | 300 | 80 | 12 | 180 | 20 | 20 | 60 | 80 | 120 | 10 | 21.0 | 79,100 | 87,010 | CAD | カート | 実働8日目出荷 |
| RSA-YS-224-400-E | 224 | 400 | 80 | 12 | 180 | 20 | 20 | 60 | 80 | 120 | 60 | 25.1 | 85,800 | 94,380 | CAD | カート | 実働8日目出荷 |
| RSA-YS-224-500-E | 224 | 500 | 80 | 12 | 180 | 20 | 20 | 60 | 80 | 120 | 110 | 29.2 | 91,000 | 100,100 | CAD | カート | 実働8日目出荷 |
| RSA-YS-224-600-E | 224 | 600 | 80 | 12 | 180 | 20 | 20 | 60 | 80 | 120 | 160 | 33.3 | 97,700 | 107,470 | CAD | カート | 実働8日目出荷 |
| RSA-YS-330-350-A | 330 | 347 | 150 | 22 | 265 | 32 | 40 | 120 | 80 | 150 | 20 | 58.8 | 161,000 | 177,100 | CAD | カート | 実働8日目出荷 |
| RSA-YS-330-450-A | 330 | 447 | 150 | 22 | 265 | 32 | 40 | 120 | 80 | 150 | 70 | 64.6 | 174,000 | 191,400 | CAD | カート | 実働8日目出荷 |
| RSA-YS-330-550-A | 330 | 547 | 150 | 22 | 265 | 32 | 40 | 120 | 80 | 150 | 120 | 74.5 | 189,000 | 207,900 | CAD | カート | 実働8日目出荷 |
| RSA-YS-330-350-B | 330 | 350 | 150 | 22 | 265 | 32 | 40 | 120 | 80 | 150 | 20 | 59.9 | 161,000 | 177,100 | CAD | カート | 実働8日目出荷 |
| RSA-YS-330-450-B | 330 | 450 | 150 | 22 | 265 | 32 | 40 | 120 | 80 | 150 | 70 | 68.1 | 174,000 | 191,400 | CAD | カート | 実働8日目出荷 |
| RSA-YS-330-550-B | 330 | 550 | 150 | 22 | 265 | 32 | 40 | 120 | 80 | 150 | 120 | 76.2 | 189,000 | 207,900 | CAD | カート | 実働8日目出荷 |
| RSA-YS-430-350-A | 430 | 347 | 150 | 22 | 365 | 32 | 40 | 120 | 85 | 160 | 10 | 107 | 370,000 | 407,000 | CAD | カート | 実働8日目出荷 |
| RSA-YS-430-450-A | 430 | 447 | 150 | 22 | 365 | 32 | 40 | 120 | 85 | 160 | 40 | 118 | 400,000 | 440,000 | CAD | カート | 実働8日目出荷 |
| RSA-YS-430-550-A | 430 | 547 | 150 | 22 | 365 | 32 | 40 | 120 | 85 | 160 | 110 | 130 | 430,000 | 473,000 | CAD | カート | 実働8日目出荷 |
実働8日目出荷です。ご注文数が6個以上の場合はコンタクトセンターへお問い合わせください。
構造

材質・仕上げ
| RSA-YS | |
|---|---|
| 本体 | FC250 塗装(青色) |
使用上の注意
- ロボットスタンドはベースプレート上に設置してください。ベースプレートの仕様はロボットの取扱説明書をご参照ください。または、ロボットメーカにお問い合わせください。

- ロボットとロボットスタンド、ロボットスタンドとベースプレートの締結に使用するねじは、強度区分12.9ではめあい長さは1.5d以上を目安にしてください。
- ロボット据えつけ面の傾きをロボットメーカの推奨値以内にしてください。
- NBKの鋳出し文字がある面とロボットの正面を合わせてください。この位置関係でロボット据えつけ面の仕様を設計しています。










