Specs/CAD
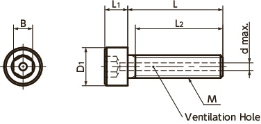
Unit : mm
| Part Number | M (Coarse) Nominal of Thread |
Pitch | L | D1 | L1 | L2 | B | d max. |
Mass (g) |
CAD Download |
RFQ |
|---|---|---|---|---|---|---|---|---|---|---|---|
| SVSX-M5-10-88 | M5 | 0.8 | 10 | 8.5 | 5 | Full Thread | 4 | 1.5 | 2.7 | CAD | RFQ |
| SVSX-M5-12-88 | M5 | 0.8 | 12 | 8.5 | 5 | Full Thread | 4 | 1.5 | 3 | CAD | RFQ |
| SVSX-M5-16-88 | M5 | 0.8 | 16 | 8.5 | 5 | Full Thread | 4 | 1.5 | 3.5 | CAD | RFQ |
| SVSX-M5-20-88 | M5 | 0.8 | 20 | 8.5 | 5 | Full Thread | 4 | 1.5 | 4 | CAD | RFQ |
| SVSX-M5-25-88 | M5 | 0.8 | 25 | 8.5 | 5 | Full Thread | 4 | 1.5 | 4.8 | CAD | RFQ |
| SVSX-M5-30-88 | M5 | 0.8 | 30 | 8.5 | 5 | 22 | 4 | 1.5 | 5.6 | CAD | RFQ |
● Batch cleanroom packing is provided for orders containing multiple items of the same size.
Nabeya Bi-tech Kaisha
Customer Service
Please enter questions about customization and other product-related inquiries here.
Find the inquiry form hereRelated Services
Material/Finish
| SVSX | |
|---|---|
| Main Body | SUS316L HiMo |
| Strength Class | 8.8 |
Application
Vacuum devices, vacuum chambers, FPD production equipment,semiconductor devices, and electron microscopes
Characteristics
- Made of high strength stainless steel (Strength class 8.8).
- The ventilation hole easily releases gas trapped in the screw holes of equipment and machines, and supports vacuum drawing of vacuum devices.
- Excellent heat resistance and corrosion resistance.
- Nonmagnetic.
-
About the characteristics of SUS316L HiMo
SNSX-88SNSX-109
Usage Example
Gas trapped at the bottom of a screw hole is released through SVSX, and gas trapped in a drilled hole is released through SWAS-VF




/14306_1.jpg?upd=20250924100804&awscf_publishdate=2025-11-28 15:20)


