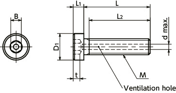
Unit : mm
| Part Number | M (Coarse) Nominal of Thread |
Pitch | L | D1 | L1 | B*1 | t | L2 | d max. | Qty per Pack | Mass (g) |
CAD Download |
RFQ |
|---|---|---|---|---|---|---|---|---|---|---|---|---|---|
| SVLS-M8-30 | M8 | 1.25 | 30 | 13 | 5 | 5 | 3.8 | Full Thread | 2 | 10 | 14 | CAD | RFQ |
*1: The hex socket width across flat of SVLS-M10 has been changed from 7 mm to 6 mm.
Nabeya Bi-tech Kaisha
Customer Service
Please enter questions about customization and other product-related inquiries here.
Find the inquiry form here●When purchasing less volume than one full bag, a separate handling fee is charged. For details, see the Sold Separately Service.
Related Services
Material/Finish
| SVLS | |
|---|---|
| Main Body | SUSXM7 (Equivalent to SUS304) |
| Strength Class | A2-50 |
Application
Vacuum devices, vacuum chambers, FPD production equipment,semiconductor devices, and electron microscopes
Characteristics
- The ventilation hole easily releases gas trapped in the screw holes of equipment and machines, and supports vacuum drawing of vacuum devices.
- Hex socket head cap screw with low profile. For space-saving of equipment/devices and applications with limited overhead space.
- Cleanroom wash/cleanroom packing provided.⇒Cleanroom Wash / Cleanroom Packing Service
Usage Example
Effective with vacuum devices and vacuum chambers that require the exhaustion of gas trapped in screw holes.



