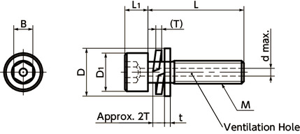
Unit : mm
| Part Number←1 | M (Coarse) Nominal of Thread |
Pitch | L | D1 | D | L1 | B | t | T (Approx.) |
d max. |
Qty per Pack | Mass (g) |
CAD Download |
RFQ |
|---|---|---|---|---|---|---|---|---|---|---|---|---|---|---|
| SVSQS-M6-35 | M6 | 1 | 35 | 10 | 12.5 | 6 | 5 | 1.6 | 1.5 | 2 | 10 | 12 | CAD | RFQ |
Nabeya Bi-tech Kaisha
Customer Service
Please enter questions about customization and other product-related inquiries here.
Find the inquiry form here●When purchasing less volume than one full bag, a separate handling fee is charged. For details, see the Sold Separately Service.
Related Services
Material/Finish
| SVSQS | |
|---|---|
| Screw Body | SUSXM7 (Equivalent to SUS304) |
| Screw Body Tensile Strength | A2-70 |
| Plain Washer | SUS304 |
| Spring Washer | SUS304 |
Application
Vacuum devices, vacuum chambers, FPD production equipment,semiconductor devices, and electron microscopes
Characteristics
- The ventilation hole easily releases gas trapped in the screw holes of equipment and machines, and supports vacuum drawing of vacuum devices.
- Flat washers and spring washers are captive, therefore prevent separation from screws.
- It is unnecessary to assemble washers. It simplifies work when wearing gloves in a clean room.
- Cleanroom wash and cleanroom packing are completed.⇒Cleanroom Wash / Cleanroom Packing Service


