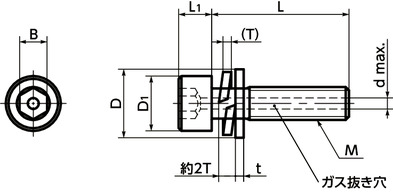
単位 : mm
| 品番 | M(並目) ねじの呼び |
ピッチ | L | D1 | D | L1 | B | t | T (約) |
d max. |
1袋入り数 | 質量 (g) |
価格 (円/袋) |
税込 価格 |
CAD ダウンロード |
数量(袋) | バラ(本) | 在庫/非在庫 |
|---|---|---|---|---|---|---|---|---|---|---|---|---|---|---|---|---|---|---|
| SVSQS-M4-6 | M4 | 0.7 | 6 | 7 | 9 | 4 | 3 | 0.8 | 1 | 1.5 | 10 | 2.1 | 2,760 | 3,036 | CAD | カート | カート | 在庫品 |
●1袋入り数未満でご注文の場合は、別途手数料を申し受けます。詳しくはバラ売りサービスをご確認ください。
SVSQS-M4-6の材質・仕上げ
| SVSQS | |
|---|---|
| ねじ本体 | SUSXM7(SUS304相当) |
| ねじ本体強度区分 | A2-70 |
| 平座金 | SUS304 |
| ばね座金 | SUS304 |
用途
真空装置/真空容器/FPD製造装置/半導体製造装置/電子顕微鏡SVSQS-M4-6の特長
- ガス抜き穴が機器・装置のねじ穴の底に溜まったガスを排出しやすくし、真空装置の真空引きをサポートします。
- ねじにISOの平座金とばね座金が組み込まれており、脱落の心配がありません。(座金の略称:I=3)
- 座金組込みねじについては、「座金組込みねじ(セムスねじ)とは」をご参照ください。
- 座金の組み込み作業が不要。クリーンルーム内での手袋による作業が容易になります。
- クリーン洗浄・クリーン梱包済み。⇒クリーン洗浄・クリーン梱包サービス











