単位 : mm
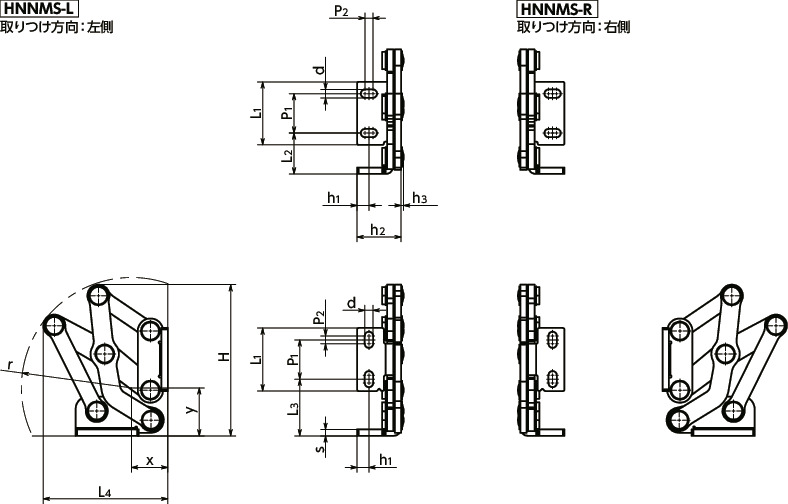
HNNMS-40-L-MTの特長
- ドアなどの内側に取りつけるステンレス製の大型スライドヒンジです。
- 最大開き角度は120°です。
- 商品記号により、取りつけ方向が選択できます。
| 商品記号 | 取りつけ方向 |
|---|---|
| HNNMS-L | 左側 |
| HNNMS-R | 右側 |

- すきま調整や取りつけを容易にするヒンジ用プレートHNBRSHNBMSHNBFS(別売)があります。取りつけ例をご参照ください。
- バスのトランクや大型扉などの用途に適しています。
HNNMS-40-L-MTの材質・仕上げ
| HNNMS | |
|---|---|
| 本体 | SUS304 |
使用例

許容最大荷重

単位 : N
| 品番 | R | A |
|---|---|---|
| HNNMS-40-MT | 650 | 175 |
| HNNMS-50-MT | 750 | 175 |
| HNNMS-60-MT | 550 | 150 |
ヒンジを2個使用した場合の値です。
軌跡図

単位 : mm
| 品番 | L5 | L6 | L7 | L8 |
|---|---|---|---|---|
| HNNMS-40-MT | 33.8 | 65.9 | 27.9 | 77.4 |
| HNNMS-50-MT | 79.3 | 82 | 2.8 | 113.3 |
| HNNMS-60-MT | 87.5 | 107.5 | 17.4 | 147.1 |
取りつけ例
ヒンジ用プレートHNBRSHNBMSHNBFS(別売)と組み合わせて。

最大パネル厚さ
ハウジングに対して平行取りつけ時

単位 : mm
| 品番 | s1 max. | b1 | s2 max. | b2 max. | s3 max. | b3 max. |
|---|---|---|---|---|---|---|
| HNNMS-40-MT | 20 | 1…∞ | 1…∞ | 22 | 18 | 18 |
| HNNMS-50-MT | 25 | 1…∞ | 1…∞ | 38 | 30 | 30 |
| HNNMS-60-MT | 32 | 1…∞ | 1…∞ | 50 | 40 | 40 |
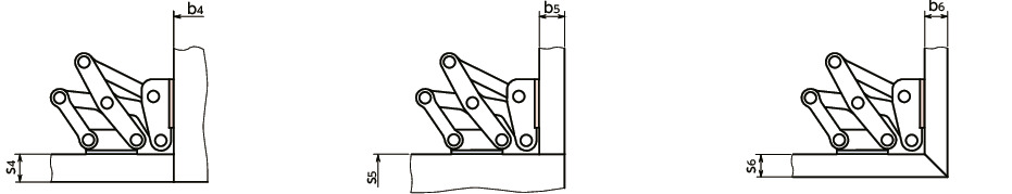
ハウジングに対して直角取りつけ時

単位 : mm
| 品番 | s4 max. | b4 max. | s5 | b5 max. | s6 max. | b6 max. |
|---|---|---|---|---|---|---|
| HNNMS-40-MT | 22 | 1…∞ | 1…∞ | 20 | 18 | 18 |
| HNNMS-50-MT | 38 | 1…∞ | 1…∞ | 25 | 30 | 30 |
| HNNMS-60-MT | 50 | 1…∞ | 1…∞ | 32 | 40 | 40 |
表示されている設計バリエーションは、標準的な設置条件を表しています。パネル厚さや取りつけ位置により最大パネル厚さは変化します。




