寸法・CAD・価格
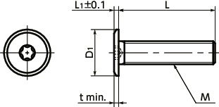
単位 : mm
| 品番 | M(並目) ねじの呼び |
ピッチ | L | D1 | L1 | 適用レンチ | ヘクサロビュ ラ穴の番号 No. |
t | 最大締めつ けトルク (N・m) |
1袋入り数 | 質量 (g) |
価格 (円/袋) |
税込 価格 |
CAD ダウンロード |
数量(袋) | バラ(本) | 在庫/非在庫 |
|---|---|---|---|---|---|---|---|---|---|---|---|---|---|---|---|---|---|
| SETA-M5-10 | M5 | 0.8 | 10 | 9-0.5~0 | 1 | SKX-10 | 10 | 1 | 1.5 | 10 | 0.51 | 1,600 | 1,760 | CAD | カート | カート | 在庫品 |
| SETA-M5-12 | M5 | 0.8 | 12 | 9-0.5~0 | 1 | SKX-10 | 10 | 1 | 1.5 | 10 | 0.59 | 1,620 | 1,782 | CAD | カート | カート | 実働5日目出荷 |
| SETA-M5-16 | M5 | 0.8 | 16 | 9-0.5~0 | 1 | SKX-10 | 10 | 1 | 1.5 | 10 | 0.75 | 1,750 | 1,925 | CAD | カート | カート | 実働5日目出荷 |
| SETA-M5-20 | M5 | 0.8 | 20 | 9-0.5~0 | 1 | SKX-10 | 10 | 1 | 1.5 | 10 | 0.9 | 1,880 | 2,068 | CAD | カート | カート | 在庫品 |
●1袋入り数未満でご注文の場合は、別途手数料を申し受けます。詳しくはバラ売りサービスをご確認ください。
材質・仕上げ
| SETA | |
|---|---|
| 本体 | A5056 |
用途
機器・装置の省スペース化特長
- アルミニウム合金製のヘクサロビュラ穴付き超極抵頭ボルト。
- 比重はステンレス鋼の約33%。
- アルミニウム合金との接触による電蝕が発生しません。
- 頭部厚さが極薄のヘクサロビュラ穴*1付きボルト。
- 機器・装置の省スペース化や上部スペースが限られた箇所に。
- ヘクサロビュラ穴*1は高い締めつけトルクに耐える形状です。⇒ヘクサロビュラ穴の特長
- 取りつけ・取りはずしには専用レンチSKXもしくは、専用ビットSKXBと専用マグネットドライバSRDを組み合わせてご使用ください。
- 狭い箇所での取りつけ・取りはずしには、狭所作業対応ヘクサロビュラレンチSKX-Nをご使用ください。
- アルマイト処理品の製作も致します。コンタクトセンターへお問合せください。
*1: ヘクサロビュラ穴の形状はJIS B 1015:2008(ISO 10664:2005)「おねじ部品用ヘクサロビュラ穴」に規定されています。










