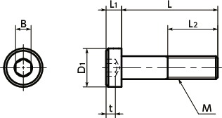
単位 : mm
| 品番 | M(並目) ねじの呼び |
ピッチ | L | D1 | L1 | B*1 | t | L2 | 最大締めつけ トルク (N・m) |
1袋入り数 | 質量 (g) |
価格 (円/袋) |
税込 価格 |
CAD ダウンロード |
数量(袋) | バラ(本) | 在庫/非在庫 |
|---|---|---|---|---|---|---|---|---|---|---|---|---|---|---|---|---|---|
| SLH-M8-25-TZB | M8 | 1.25 | 25 | 13 | 5 | 5 | 3.8 | 全ねじ | 27 | 20 | 12 | 1,080 | 1,188 | CAD | カート | カート | 在庫品 |
*1: SLH-M10-TZBは六角穴の二面幅を7mmから6mmに変更しました。
●1袋入り数未満でご注文の場合は、別途手数料を申し受けます。詳しくはバラ売りサービスをご確認ください。
関連サービス
SLH-M8-25-TZBの材質・仕上げ
| SLH-TZB | |
|---|---|
| 本体 | SWCH45K 三価クロメート処理 |
| 強度区分 | 8.8 |
用途
機器・装置の省スペース化SLH-M8-25-TZBの特長
- 頭部高さの低い六角穴付きボルト。
- 機器・装置の省スペース化や上部スペースが限られた箇所に。
- ガス抜き穴つきの六角穴付き低頭ボルトSVLSがあります。SVLS
- DIN 7984に準拠。



