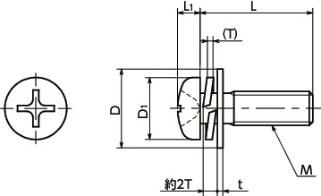
単位 : mm
| 品番 | M(並目) ねじの呼び |
ピッチ | L | D1 | D | L1 | t | T (約) |
十字穴の番号 | 締結可能 最小板厚 |
1袋入り数 | 質量 (g) |
価格 (円/袋) |
税込 価格 |
CAD ダウンロード |
数量(袋) | バラ(本) | 在庫/非在庫 |
|---|---|---|---|---|---|---|---|---|---|---|---|---|---|---|---|---|---|---|
| SNPI3-M5-8-SUC | M5 | 0.8 | 8 | 9 | 12 | 3.3 | 0.8 | 1.3 | 2 | 1.2 | 20 | 2.9 | 700 | 770 | CAD | カート | カート | 在庫品 |
●1袋入り数未満でご注文の場合は、別途手数料を申し受けます。詳しくはバラ売りサービスをご確認ください。
関連サービス
SNPI3-M5-8-SUCの材質・仕上げ
| SNPI3-SUC | |
|---|---|
| ねじ本体 | SWCH10R 三価クロメート処理 |
| ねじ本体強度区分 | 4.8 |
| 平座金 | SWRH62 三価クロメート処理 |
| ばね座金 | SPCC 三価クロメート処理 |
用途
外装パネル/半導体製造装置/機器・装置構造体/海洋機器/一般産業機械機器・装置の省スペース化
SNPI3-M5-8-SUCの特長
- スティール製の薄板固定用座金組込み十字穴付きなべ小ねじ。
- ねじに旧JISの平座金とばね座金が組み込まれており、脱落の心配がありません。(座金の略称:P=3)
- 座金組込みねじについては、「座金組込みねじ(セムスねじ)とは」をご参照ください。
- 通常の座金組込みねじに比べ、不完全ねじ部を含む円筒部を短くすることで薄板の締結を可能にしています。締結可能な板厚は通常の座金組込みねじの半分以下です。*1
*1: 締結可能な板厚は寸法表の「締結可能最小板厚」をご参照ください。
- 機器・装置の省スペース化や上部スペースが限られた箇所に。
- 寸法・材質・頭部形状など、特殊仕様の薄板固定用ボルトも製作いたします。コンタクトセンターにお問い合わせください。



