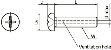
Unit : mm
| Part Number | M (Coarse) Nominal of Thread |
Pitch | L | D1 | L1 | d max. | Cross-recessed Socket No. | Qty per Pack | Mass (g) |
CAD Download |
RFQ |
|---|---|---|---|---|---|---|---|---|---|---|---|
| SVPS-M6-30 | M6 | 1 | 30 | 10.5 | 3.9 | 2 | 3 | 10 | 7.4 | CAD | RFQ |
Nabeya Bi-tech Kaisha
Customer Service
Please enter questions about customization and other product-related inquiries here.
Find the inquiry form here●When purchasing less volume than one full bag, a separate handling fee is charged. For details, see the Sold Separately Service.
Related Services
Material/Finish
| SVPS | |
|---|---|
| Main Body | SUSXM7 (Equivalent to SUS304) |
Application
Vacuum device / Vacuum container / FPD production device /Semiconductor manufacturing device / Electron microscope
Characteristics
- The ventilation hole easily releases gas trapped in the screw holes of equipment and machines, and supports vacuum drawing of vacuum devices.
- Cleanroom wash/cleanroom packing provided.⇒Cleanroom Wash / Cleanroom Packing Service



