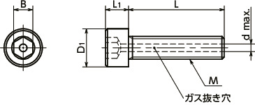
単位 : mm
| 品番 | M(並目) ねじの呼び |
ピッチ | L | D1 | L1 | B | d max. | 1袋入り数 | 質量 (g) |
価格 (円/袋) |
税込 価格 |
CAD ダウンロード |
数量(袋) | バラ(本) | 在庫/非在庫 |
|---|---|---|---|---|---|---|---|---|---|---|---|---|---|---|---|
| SVSS-M4-25 | M4 | 0.7 | 25 | 7 | 4 | 3 | 1.5 | 20 | 3.2 | 8,060 | 8,866 | CAD | カート | カート | 在庫品 |
●1袋入り数未満でご注文の場合は、別途手数料を申し受けます。詳しくはバラ売りサービスをご確認ください。
SVSS-M4-25の材質・仕上げ
| SVSS | |
|---|---|
| 本体 | SUSXM7(SUS304相当) |
| 強度区分 | A2-70 |
用途
真空装置/真空容器/FPD製造装置/半導体製造装置/電子顕微鏡SVSS-M4-25の特長
- ガス抜き穴が機器・装置のねじ穴の底に溜まったガスを排出しやすくし、真空装置の真空引きをサポートします。
- クリーン洗浄・クリーン梱包済み。⇒クリーン洗浄・クリーン梱包サービス
- ガス抜き穴は金属組織への影響が少ない方法で加工しています。使用時における脆性破壊や真空環境下でのアウトガスの発生を抑えます。














