単位 : mm
| 品番 | M(並目) ねじの呼び |
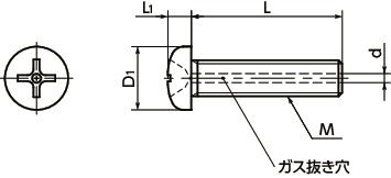
ピッチ | L | D1 | L1 | d max. |
十字穴の番号 | 1袋入り数 | 質量 (g) |
価格 (円/袋) |
税込 価格 |
CAD ダウンロード |
数量(袋) | バラ(本) | 在庫/非在庫 |
|---|---|---|---|---|---|---|---|---|---|---|---|---|---|---|---|
| SVPT-M4-20 | M4 | 0.7 | 20 | 7 | 2.6 | 1.5 | 2 | 10 | 1.2 | 6,960 | 7,656 | CAD | カート | カート | 非在庫品 |
●1袋入り数未満でご注文の場合は、別途手数料を申し受けます。詳しくはバラ売りサービスをご確認ください。
SVPT-M4-20の材質・仕上げ
| SVPT | |
|---|---|
| 本体 | TW270(チタン1種) |
用途
真空装置/真空容器/FPD製造装置/半導体製造装置/電子顕微鏡SVPT-M4-20の特長
- ガス抜き穴が機器・装置のねじ穴の底に溜まったガスを排出しやすくし、真空装置の真空引きをサポートします。
- 特殊化学研磨処理・光輝処理により、表面を改質。アウトガスが極微量です。
- 非磁性。
- クリーン洗浄・クリーン梱包済み。⇒クリーン洗浄・クリーン梱包サービス
- チタン材質の特性は「チタンの特性」をご参照ください。⇒チタンの特性




