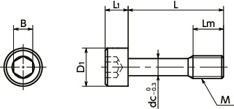
単位 : mm
| 品番 | M(並目) ねじの呼び |
ピッチ | L | Lm | D1 | L1 | B | dc | 質量 (g) |
価格 (円/本) |
税込 価格 |
CAD ダウンロード |
数量(本) | 在庫/非在庫 |
|---|---|---|---|---|---|---|---|---|---|---|---|---|---|---|
| SSC-M5-25-FC | M5 | 0.8 | 25 | 6 | 8.5 | 5 | 4 | 3.9 | 4.8 | 260 | 286 | CAD | カート | 在庫品 |
SSC-M5-25-FCの材質・仕上げ
| SSC-FC | |
|---|---|
| 本体 | SUSXM7(SUS304相当) フッ素コーティング |
| 強度区分 | A2-70 |
用途
保護カバー・点検用カバーの固定CEマーキング対応
工作機械/食品機械/電気・電子機器
SSC-M5-25-FCの特長
- ねじの脱落・紛失を防止します。取りつけ・取りはずしが頻繁な保護カバーや点検用カバーの固定に。
- CEマーキングの対応に。⇒脱落防止ねじシリーズ
- コストパフォーマンスにすぐれたコーティングです。
- すぐれた潤滑性。ねじのかじり・焼きつき防止に適しています。
使用上の注意
- カバー側のねじ穴の内径はdc寸法以上としてください。
- カバーの厚さは0.8mm以上としてください。
取りつけ例
カバーにねじ穴を加工して、SSC-FCのねじ部を貫通させてください。ねじをフレームから取りはずしても、SSC-FCのねじ部がカバーのねじ穴に引っかかるため、SSC-FCがカバーから抜け落ちることはありません。




