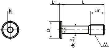
単位 : mm
| 品番 | M(並目) ねじの呼び |
ピッチ | L | Lm | D1 | L1 | B | dc | 最大締めつけトルク(N・m) | 質量 (g) |
価格 (円/本) |
税込 価格 |
CAD ダウンロード |
数量(本) | 在庫/非在庫 |
|---|---|---|---|---|---|---|---|---|---|---|---|---|---|---|---|
| SSCHS-M8-20 | M8 | 1.25 | 20 | 10 | 13 | 1.5 | 4 | 6.3 | 5 | 6.7 | 560 | 616 | CAD | カート | 在庫品 |
関連サービス
SSCHS-M8-20の材質・仕上げ
| SSCHS | |
|---|---|
| 本体 | SUSXM7(SUS304相当) |
| 強度区分 | A2-40 |
用途
保護カバー・点検用カバーの固定/CEマーキング対応工作機械/食品機械/電気・電子機器
SSCHS-M8-20の特長
- ねじの脱落・紛失を防止します。取りつけ・取りはずしが頻繁な保護カバーや点検用カバーの固定に。
- 極低頭ボルトタイプ。機器・装置のコンパクト化や上部スペースが限られた用途に。
- CEマーキングの対応に。⇒脱落防止ねじシリーズ
使用上の注意
- カバー側のねじ穴の内径はdc寸法以上としてください。
- カバーの厚さは0.8mm以上としてください。
取りつけ例
カバーにねじ穴を加工して、SSCHSのねじ部を貫通させてください。ねじをフレームから取りはずしても、SSCHSのねじ部がカバーのねじ穴に引っかかるため、SSCHSがカバーから抜け落ちることはありません。



