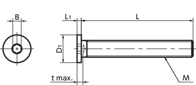
単位 : mm
| 品番 | M(並目) ねじの呼び |
ピッチ | L | D1 | L1 | B | t | 最大締めつ けトルク (N・m) |
質量 (g) |
価格 (円/本) |
税込 価格 |
CAD ダウンロード |
数量(本) | 在庫/非在庫 |
|---|---|---|---|---|---|---|---|---|---|---|---|---|---|---|
| SSHS-M3-40-FT | M3 | 0.5 | 40 | 6 | 1.3 | 1.5 | 2 | 0.6 | 2.1 | 1,120 | 1,232 | CAD | カート | 在庫品 |
SSHS-M3-40-FTの材質・仕上げ
| SSHS-FT | |
|---|---|
| 本体 | SUS304 |
用途
機器・装置の省スペース化SSHS-M3-40-FTの特長
- 六角穴付き極低頭ボルトの全ねじタイプ。
- 頭部高さはすべて1.5mm以下。
- 機器・装置の省スペース化や上部スペースが限られた箇所に。




