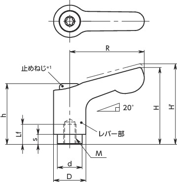
単位 : mm
| 品番 | M(並目) ねじの呼び |
ピッチ | Lf min. | R | H | H' | h | s | D | d | 歯数 | 最大荷重*1 (N) |
最大締付力*1 (kN) |
質量 (g) |
価格 (円) |
税込 価格 |
CAD ダウンロード |
標準品を購入 | 在庫/非在庫 |
|---|---|---|---|---|---|---|---|---|---|---|---|---|---|---|---|---|---|---|---|
| LDCFS-4-CR | M4 | 0.7 | 8 | 30 | 31 | 34.5 | 24.5 | 4 | 13 | 10 | 18 | 44 | 2.4 | 25 | 1,450 | 1,595 | CAD | カート | 在庫品 |
*1: 最大荷重・最大締付力の定義は「クランプレバー・テンションレバーの使用方法について」をご参照ください。⇒クランプレバー・テンションレバーの使用方法について
LDCFS-4-CRの材質・仕上げ
| LDCFS-CR | |
|---|---|
| レバー部 | 亜鉛ダイカスト クロムメッキ |
| ねじ部 | SUS303 |
| 止めねじ | ステンレス |
| スプリング | ステンレス鋼線 |
LDCFS-4-CRの特長
- ねじ部がステンレス製のコンパクトタイプのクランプレバー。
- 回し半径30mm。省スペースです。
- レバー部はクロムメッキで美しい仕上がり。






