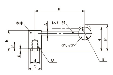
単位 : mm
| 品番 | M(並目) ねじの呼び |
ピッチ | Lf | R | H | H' | h | s | A | B | D | d | 歯数 | 最大荷重*1 (N) |
最大締付力*1 (kN) |
質量 (g) |
価格 (円) |
税込 価格 |
CAD ダウンロード |
標準品を購入 | 在庫/非在庫 |
|---|---|---|---|---|---|---|---|---|---|---|---|---|---|---|---|---|---|---|---|---|---|
| LNTF-40-M20-D | M20 | 2.5 | 36 | 140.5 | 73 | 78.5 | 64 | 6 | 14 | 35 | 40 | 28 | 48 | 1400 | 67 | 608 | 8,790 | 9,669 | CAD | カート | 在庫品 |
*1: 最大荷重・最大締付力の定義は「クランプレバー・テンションレバーの使用方法について」をご参照ください。⇒クランプレバー・テンションレバーの使用方法について
LNTF-40-M20-Dの材質・仕上げ
| LNTF | |
|---|---|
| レバー部 | SUM22L 四三酸化鉄皮膜(黒) |
| ねじ部 | SUM22L 四三酸化鉄皮膜(黒) |
| 本体 | SUM22L 四三酸化鉄皮膜(黒) |
| グリップ | フェノール樹脂(黒) |
LNTF-40-M20-Dの特長
- テンションレバーのスタンダードタイプ。
- 回し半径が大きく、小さい力で大きな締付力が得られます。
- ねじに対するレバーの位相角度を自由に調整できます。
- LNTF-Dはレバー部が水平のため、上部スペースに制限がある場合に適しています。
- 商品記号により、タイプおよびねじ部の材質が選択できます。
| 商品記号 | タイプ | ねじ部材質 |
|---|---|---|
| LNTF-D | 水平レバー | スティール製 |
| LNTF-E | 角度つきレバー | スティール製 |
| LNTFS-E | 角度つきレバー | ステンレス製 |






