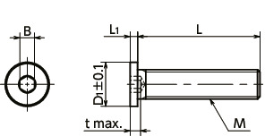
単位 : mm
| 品番 | M(並目) ねじの呼び |
ピッチ | L | D1 | L1 | B | t max. | 質量 (g) |
価格 (円/本) |
税込 価格 |
CAD ダウンロード |
数量(本) | 在庫/非在庫 |
|---|---|---|---|---|---|---|---|---|---|---|---|---|---|
| SSHS-M8-30-SD-FC | M8 | 1.25 | 30 | 11 | 1.5 | 4 | 5 | 10 | 550 | 605 | CAD | カート | 在庫品 |
SSHS-M8-30-SD-FCの材質・仕上げ
| SSHS-SD-FC | |
|---|---|
| 本体 | SUSXM7(SUS304相当) フッ素コーティング |
| 強度区分 | A2-50 |
用途
機器・装置の省スペース化かじり・焼きつき防止
SSHS-M8-30-SD-FCの特長
- 頭部径の小さい六角穴付き極低頭ボルト。通常の六角穴付き極低頭ボルトよりザグリ穴径を小さくできます。
- コストパフォーマンスにすぐれたコーティングです。
- すぐれた潤滑性。ねじのかじり・焼きつき防止に適しています。
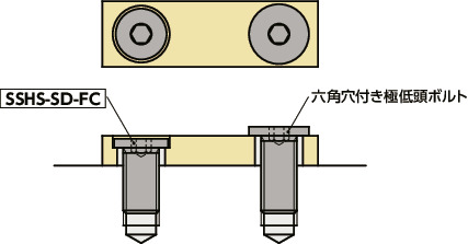
使用例
通常の六角穴付き極低頭ボルトではザグリ加工ができなかった箇所にもザグリ加工を行い、頭部を隠すことができます。
使用上の注意
- 頭部座面の面積が小さく座面圧が高くなります。
- 下式を参考に、ねじの締めつけによる座面圧が被締結材の許容面圧を超えないようご注意ください。

頭部径とねじ有効断面積
| 品番 | 頭部径(mm) | ねじ有効断面積(mm2) |
|---|---|---|
| SSHS-M3-SD-FC | 5 | 5.03 |
| SSHS-M4-SD-FC | 6 | 8.78 |
| SSHS-M5-SD-FC | 8 | 14.2 |
| SSHS-M6-SD-FC | 9 | 20.1 |
| SSHS-M8-SD-FC | 11 | 36.6 |
| SSHS-M10-SD-FC | 13.5 | 58 |




