単位 : mm
| 品番 | M(並目) ねじの呼び |
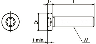
ピッチ | L | D1 | L1 | t min. | ヘクサロビュラ 穴の番号 No. |
最大締めつけ トルク (N・m) |
1袋入り数 | 質量 (g) |
価格 (円/袋) |
税込 価格 |
CAD ダウンロード |
数量(袋) | バラ(本) | 在庫/非在庫 |
|---|---|---|---|---|---|---|---|---|---|---|---|---|---|---|---|---|
| SNZCXS-M2-8 | M2 | 0.4 | 8 | 3 | 0.6 | 0.35 | 5 | 0.22 | 50 | 0.17 | 750 | 825 | CAD | カート | カート | 在庫品 |
●1袋入り数未満でご注文の場合は、別途手数料を申し受けます。詳しくはバラ売りサービスをご確認ください。
SNZCXS-M2-8の特長
- M1.4-M2.5。精密機器用の微細ねじ。
- 頭部高さの低い平小ねじタイプ。機器・装置の省スペース化や上部スペースが限られた用途に。
- 締めつけによるリセスの破損が起こりにくく、安全で確実な締めつけができます。
-
ガス抜き穴つき・クリーン洗浄・特殊梱包など、特殊仕様の商品を製作いたします。
⇒たとえばこんなねじが作れます
SNZCXS-M2-8の材質・仕上げ
| SNZCXS | |
|---|---|
| 本体 | SUSXM7(SUS304相当) |
関連サービス
用途
機器・装置の省スペース化小型精密機器







