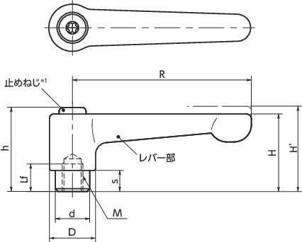
単位 : mm
| 品番 | M(並目) ねじの呼び |
ピッチ | Lf min. | R | H | H' | h | s | D | d | 歯数 | 最大荷重*1 (N) |
最大締付力*1 (kN) |
質量 (g) |
本体 カラー |
価格 (円) |
税込 価格 |
CAD ダウンロード |
標準品を購入 | 在庫/非在庫 |
|---|---|---|---|---|---|---|---|---|---|---|---|---|---|---|---|---|---|---|---|---|
| LHFS-6B-CR | M6 | 1 | 11 | 63 | 28.5 | 32.5 | 31 | 6.5 | 17.5 | 13.5 | 24 | 72 | 5.5 | 74 | CR | 2,000 | 2,200 | CAD | カート | 在庫品 |
*1: 最大荷重・最大締付力の定義は「クランプレバー・テンションレバーの使用方法について」をご参照ください。⇒クランプレバー・テンションレバーの使用方法について
LHFS-6B-CRの材質・仕上げ
| LHFS-CR | |
|---|---|
| レバー部 | 亜鉛ダイカスト クロムメッキ |
| ねじ部 | SUS303 |
| 止めねじ | ステンレス |
| スプリング | ステンレス鋼線 |
LHFS-6B-CRの特長
- ねじ部がステンレス製のフラットクランプレバー。上部スペースに制限がある用途に適しています。
- レバー部はクロムメッキで美しい仕上がり。
- M3-M10の豊富なねじサイズ。






