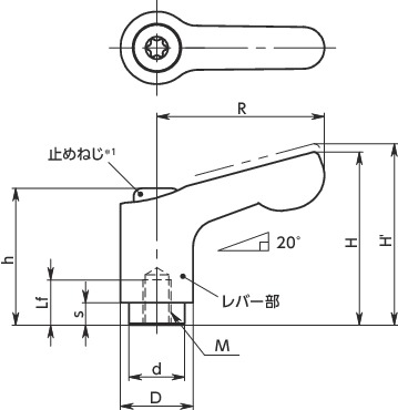
単位 : mm
| 品番 | M(並目) ねじの呼び |
ピッチ | Lf | R | H | H' | h | s | D | d | 歯数 | 最大荷重*1 (N) |
最大締付力*1 (kN) |
質量 (g) |
価格 (円) |
税込 価格 |
CAD ダウンロード |
標準品を購入 | 在庫/非在庫 |
|---|---|---|---|---|---|---|---|---|---|---|---|---|---|---|---|---|---|---|---|
| LDCFS-6-NI | M6 | 1 | 8 | 30 | 31 | 34.5 | 24.5 | 4 | 13 | 10 | 18 | 150 | 5.5 | 27 | 3,670 | 4,037 | CAD | カート | 在庫品 |
*1: 最大荷重・最大締付力の定義は「クランプレバー・テンションレバーの使用方法について」をご参照ください。⇒クランプレバー・テンションレバーの使用方法について
LDCFS-6-NIの材質・仕上げ
| LDCFS-NI | |
|---|---|
| レバー部 | SCS13(SUS304相当) ショットブラスト |
| ねじ部 | SUS303 |
| 止めねじ | ステンレス |
| スプリング | ステンレス鋼線 |
LDCFS-6-NIの特長
- オールステンレス製のミニクランプレバー。
- すぐれた耐蝕性と強度があります。






