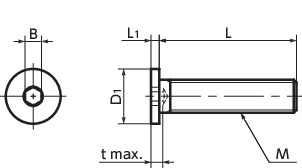
単位 : mm
| 品番 | M(並目) ねじの呼び |
ピッチ | L | D1 | L1 | B | t | 最大締めつ けトルク *1(N・m) |
1袋入り数 | 質量 (g) |
価格 (円/袋) |
税込 価格 |
CAD ダウンロード |
数量(袋) | バラ(本) | 在庫/非在庫 |
|---|---|---|---|---|---|---|---|---|---|---|---|---|---|---|---|---|
| SSH-M8-10 | M8 | 1.25 | 10 | 13 | 1.5 | 4 | 5 | 14 | 10 | 3.6 | 760 | 836 | CAD | カート | カート | 在庫品 |
*1: 表中の数値は参考値であり、保証値ではありません。
●1袋入り数未満でご注文の場合は、別途手数料を申し受けます。詳しくはバラ売りサービスをご確認ください。
SSH-M8-10の特長
- 頭部高さはすべて1.5mm以下。
- 機器・装置の省スペース化や上部スペースが限られた箇所に。
- ガス抜き穴つきの六角穴付き極低頭ボルトSVSHSがあります。SVSHS
- 長ねじタイプの六角穴付き極低頭ボルトSSHS-FTがあります。SSHS-FT
SSH-M8-10の材質・仕上げ
| SSH | |
|---|---|
| 本体 | SCM435 四三酸化鉄皮膜(黒) |
| 強度区分 | ねじ部:10.9 頭部*1:5.8(M2-M8) 4.8(M10) |
*1: 最大締めつけトルクを超えないようにしてください。熱処理により強度を高めていますが、ねじ部と比べて頭部の強度が小さくなっています。



