寸法・CAD・価格
単位 : mm
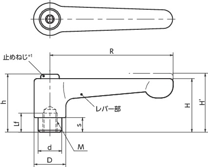
| 品番 | M(並目) ねじの呼び |
ピッチ | Lf min. | R | H | H' | h | s | D | d | 歯数 | 最大荷重*1 (N) |
最大締付力*1 (kN) |
質量 (g) |
本体 カラー |
価格 (円) |
税込 価格 |
CAD ダウンロード |
標準品を購入 | 在庫/非在庫 |
|---|---|---|---|---|---|---|---|---|---|---|---|---|---|---|---|---|---|---|---|---|
| LHF-3-BK | M3 | 0.5 | 7 | 45 | 22 | 25.5 | 24.5 | 4 | 13 | 10 | 18 | 13 | 1.4 | 32 | BK | 920 | 1,012 | CAD | カート | 在庫品 |
| LHF-3-OR | M3 | 0.5 | 7 | 45 | 22 | 25.5 | 24.5 | 4 | 13 | 10 | 18 | 13 | 1.4 | 32 | OR | 920 | 1,012 | CAD | カート | 在庫品 |
| LHF-3-RD | M3 | 0.5 | 7 | 45 | 22 | 25.5 | 24.5 | 4 | 13 | 10 | 18 | 13 | 1.4 | 32 | RD | 920 | 1,012 | CAD | カート | 在庫品 |
| LHF-3-SG | M3 | 0.5 | 7 | 45 | 22 | 25.5 | 24.5 | 4 | 13 | 10 | 18 | 13 | 1.4 | 32 | SG | 920 | 1,012 | CAD | カート | 在庫品 |
*1: 最大荷重・最大締付力の定義は「クランプレバー・テンションレバーの使用方法について」をご参照ください。⇒クランプレバー・テンションレバーの使用方法について
材質・仕上げ
| LHF | |
|---|---|
| レバー部 | 亜鉛ダイカスト 静電塗装(各色) |
| ねじ部 | SUM22L 四三酸化鉄皮膜(黒) |
| 止めねじ | スティール 四三酸化鉄皮膜(黒) |
| スプリング | ステンレス鋼線またはSWPB |
特長
- レバー形状はフラットタイプ。上部スペースに制限がある用途に適しています。
- M3-M10の豊富なねじサイズ。
-
ねじ部の材質は2種類。
LHF----スティール製
LHFS----ステンレス製 - レバー部は、傷が目立ちにくい、つや消しタイプの静電塗装。
- レバー部のカラーバリエーションは4種類。品番の末尾記号により、選択できます。
| 末尾記号 | レバー部の色 |
|---|---|
| BK | つや消し黒 |
| SG | つや消しシルバー |
| OR | つや消しオレンジ |
| RD | つや消しレッド |






